با توجه به اینکه امروزه گوشیهای هوشمند نقش حیاتی در زندگی روزمره ما ایفا میکنند، حوزه تعمیرات موبایل به یکی از محبوبترین و پردرآمدترین مشاغل فنی تبدیل شده است. بسیاری از علاقهمندان برای شروع فعالیت حرفهای در این حوزه، ابتدا در دورههای تخصصی شرکت میکنند و سپس برای دریافت مدرک رسمی، وارد آزمون فنی و حرفهای تعمیرات موبایل میشوند.
این آزمون شامل بخشهای متنوعی مانند سختافزار موبایل، عیبیابی، الکترونیک پایه، تعمیرات برد، نرمافزار و کار با ابزارهای تخصصی است. به همین دلیل داشتن آمادگی کامل و آشنایی با ساختار سوالات، برای قبولی اهمیت بسیار زیادی دارد.
یکی از بهترین و موثرترین روشها برای افزایش شانس موفقیت در آزمون، مطالعه مجموعهای از نمونه سوالات تعمیرات موبایل و همچنین نمونه سوالات فنی و حرفهای سختافزار موبایل است.
این نمونه سوالات معمولاً از سوالات پرتکرار، مباحث مهم و سرفصلهای اصلی دوره استخراج شدهاند و به هنرجو کمک میکنند قبل از آزمون با نحوه طرح سوال، سطح دشواری و نوع مباحث آشنا شود.
مرور این سوالات باعث میشود داوطلب شناخت دقیقی از نقاط قوت و ضعف خود پیدا کند و بتواند برای مطالعه مباحث مهمتر برنامهریزی دقیقتری داشته باشد.
در آزمون فنیوحرفهای تعمیرات موبایل، تسلط بر مباحث زیر اهمیت ویژهای دارد:
- تشخیص خرابی قطعات سختافزاری
- تحلیل و عیبیابی مدارهای موبایل و برد اصلی
- کار با ابزارهای تعمیرات مانند هیتر، هویه، مولتیمتر و منبع تغذیه
- اصول الکترونیک پایه و شناخت قطعات الکترونیکی
- روشهای تست قطعات، تعویض آیسی، فلت، سوکت شارژ و …
- رعایت نکات ایمنی در هنگام کار
- آشنایی با خطاهای رایج و روشهای رفع آنها
به همین دلیل در این مقاله مجموعهای جامع و کاربردی از نمونه سوالات آزمون تعمیرات موبایل در کنار سوالات سختافزار موبایل آماده کردهایم تا داوطلبان بتوانند با مطالعه این سوالات، آمادگی خود را برای بخش کتبی و حتی عملی افزایش دهند.
این سوالات علاوه بر اینکه به شکل استاندارد تهیه شدهاند، شامل موضوعات پرتکرار و نکات کلیدی نیز هستند، به همین دلیل مرور آنها یکی از بهترین ابزارها برای موفقیت در آزمون محسوب میشود.
اگر شما قصد دارید وارد بازار کار تعمیرات موبایل شوید، یا بهدنبال منبعی مطمئن برای مرور و تمرین هستید، این مجموعه نمونه سوالات میتواند یک راهنمای کامل و کاربردی برای شما باشد. با مطالعه این سوالات، سطح تسلط خود را افزایش میدهید، استرس امتحان کاهش پیدا میکند و شانس قبولی شما در آزمون فنیوحرفهای چند برابر میشود.
با ما تا انتهای این مقاله همراه باشید تا به مجموعهای ارزشمند از نمونه سوالات استاندارد فنیوحرفهای تعمیرات موبایل دسترسی پیدا کنید و سطح آمادگی خود را افزایش دهید.
تست های بخش اول
1. کدام یک از عناصر زیر نیمه هادی میباشد؟
- تیتانیوم
- منیزیم
- فسفر
- سیلسیوم
گزینه 4 صحیح است.
نیمه هادی ها موادی هستند که از نظر الکتریکی بین هادیها و عایقها قرار دارند مانند سیلیسیوم و ژرمانیوم
2. در جریان متناوب AC حرکت الکترونها…..
- ثابت است
- نسبت به زمان تغییر میکند
- نسبت به زمان تغییر نمیکند
- یکسو است
گزینه 2 صحیح است. کمیتهای DC کمیتهایی هستند که در یک جهت حرکت میکنند و در طول محور زمان تغییر قطبیت ندارند. اما کمیتهای AC کمیت هایی هستند که در طول محور زمان تغییر داشته و دارای مولفه های مثبت و منفی می شوند.
3. فرکانس مربوط به شکل موج روبرو چند هرتز است؟.jpeg)
- ۵۰ هرتز
- ۵۰۰ هرتز
- ۵۰۰۰ هرتز
- ۵۰ کیلو هرتز
گزینه ۳ صحیح است.
گزینه صحیح (لطفا به حروف نوشته شود): گزینه سه
چون T=0.2 ms و باتوجه به فرمول F=1/T آنگاه:
F=1/0.0002=5000
نکته مهم در این سوال این است که واحد زمان در یکای استاندارد ثانیه است و چون در این سوال به صورت
میلی ثانیه داده شده لذا باید تبدیل زمانی را در نظر بگیریم
4. مقدار موثر ولتاژ خروجی ۲۸ ولت پیک تا پیک برابر است با….
- ۲۸ ولت
- ۲.۸ ولت
- ۹.۸ ولت
- ۱۹.۶ ولت
گزینه ۳ صحیح است.
با توجه به فرمول 0.7 *Vrms=Vp آنگاه: 14=Vp=1/2 Vp-p
Vrms-14*0.7=9.8
5. ولتاژ پیک شکل مقابل چقدر است؟.jpeg)
- ۲ ولت
- ۴ ولت
- ۸ ولت
- ۱۰ ولت
گزینه ۱ صحیح است.
چون Vp=1/2 Vp-p آنگاه 2=4*0.5=Vp
6. مقدار مقاومتی که روی آن M۲۲ نوشته شده است چقدر است؟
- ٠/٢٢ اهم
- ۲/۲ کیلو اهم
- ۰/۲۲ مگا اهم
- ۰/۲۲ کیلو اهم
گزینه ۳ صحیح است.
نوع حرف ضریب مقاومت و محل قرار گیری حرف مکان ممیز را نشان میدهد و به همراه دو عدد، مقدار مقاومت را نشان میدهد چون M معادل مگا میباشد لذا جواب برابر 0.22 مگا اهم میباشد.
7. روی خازنی ۰/۰۱ نوشته شده است. مقدار نامی آن برابر است با:
- ۰/۰۱ میکرو فاراد
- ۰/۰۱ پیکو فاراد
- ۰/۰۱ نانو فاراد
- ۰/۱ میکرو فاراد
گزینه ۱ صحیح است.
بر روی بعضی از خازنها مانند الکترولیتی و بعضی از خازنهای سرامیکی ظرفیت آن مستقیما بر روی خازن نوشته میشود. که اگر عدد به صورت اعشاری و کمتر از ۱ باشد ظرفیت با واحد میکرو خوانده می شود. برای اعداد صحیح نوشته شده روی خازن واحد پیکو لحاظ میشود.
8. ظرفیت خازن روبرو چقدر است؟.jpeg)
- ۱۰۱ پیکو فاراد
- ۱۰۰ میکرو فاراد
- ۱۰۰ نانو فاراد
- ۱۰۰ پیکو فاراد
گزینه ۴ صحیح است.
این نوع روش به روش کد سه رقمی معروف است که رقم اول و دوم همان عدد اول و دوم و رقم سوم بیانگر ضریب یا تعداد صفرها میباشد و واحد بر حسب پیکو فاراد میباشد.
9. در جریان متناوب خازن بصورت یک…..
- کلید باز
- کلید بسته
- منبع ولتاز موقت
- گزینه ۱ و گزینه ۳
گزینه ۲ صحیح است.
خازن در جریانهای مستقیم به عنوان اتصال باز و در جریانهای متناوب به عنوان اتصال کوتاه یا بسته عمل میکند. گزینه ۱ صحیح است.
10. روی خازنی عدد ۴۷ نوشته شده است مقدار نامی آن چقدر است؟
- ۴۷ پیکو فاراد
- ۴۷ نانو فاراد
- ۴۷ میکرو فاراد
- ۰/۴۷ میکرو فاراد
گزینه 1 صحیح است.
بر روی بعضی از خازنها مانند الکترولیتی و بعضی از خازنهای سرامیکی ظرفیت آن مستقیما بر روی خازن
نوشته میشود.
در این روش که به روش کد سه رقمی معروف است رقم اول و دوم همان عدد اول و دوم و رقم سوم بیانگر ضریب یا تعداد صفرها می باشد و واحد برحسب پیکو فاراد می باشد و چون رقم سومی وجود ندارد لذا همان عدد است.
11. مقدار مقاومت معادل دو نقطه B,A چقدر است؟.jpeg)
- ۴٠ اهم
- ٢٠ اهم
- ۸٠ اهم
- ۱۰۰ اهم
گزینه 1 صحیح است.
20=Ra=R5+R6 : سری
20=Rb=R3+R4 : سری
10=R=Ra ll Rb: موازی
RT=R1+R2+RC+R7=40Q
12. مقدار مقاومت روبرو چقدر است؟
- ۴۷ کیلو اهم
- ۴۷ اهم
- ۴.۷ کیلو اهم
- ۰/۴۷ کیلو اهم
گزینه ۳ صحیح است.
نوع حرف ضریب مقاومت و محل قرار گیری ،حرف مکان ممیز را نشان میدهد و به همراه دو عدد مقدار مقاومت را نشان میدهد چون K معادل کیلو می باشد لذا جواب برابر ۴.۷ کیلو اهم میباشد.
.jpeg)
13. فرکانس مربوط به شکل زیر کدام است؟
- ۵۰۰ هرتز
- ۲۵۰ هرتز
- ۰/۵ هرتز
- ۰/۲۵ هرتز
گزینه ۲ صحیح است.
چون T/2=2 ms آنگاه T=4ms و با توجه به فرمول F=1/T آنگاه
F=1/0.004=250hz
نکته مهم در این سوال این است که واحد زمان در یکای استاندارد ثانیه است و چون در این سوال به صورت
میلی ثانیه داده شده لذا باید تبدیل زمانی را در نظر بگیریم
14. مقاومت معادل شکل روبرو کدام گزینه است؟.jpeg)
- ٣ اهم
- ۴ اهم
- ۸ أهم
- ۱۰ اهم
گزینه ۱ صحیح است.
در قسمت اول مقاومتهای ۲ اهم اتصال کوتاه بوده و از مدار حذف می گردد و در قسمت دوم 4=8 11 8=Rb و باز در قسمت دوم 2=4 || Rc=Rb و در کل 3+2+1=RT اهم
15. روی مقاومتی عبارت R61F نوشته شده است. مقدار نامی آن چقدر است؟
- ۶۱ اهم و ۱٪
- ۶۱ اهم و ۱۰٪
- ۰/۶۱ اهم و ۱٪
- ۰/۶۱ اهم و ۱۰٪
گزینه ۳ صحیح است.
نوع حرف اول ضریب مقاومت و محل قرار گیری حرف اول مکان ممیز را نشان میدهد و به همراه دو عدد مقدار مقاومت را نشان میدهد. واحد بر حسب اهم است حرف دوم تلرانس را نشان میدهد که ٪1=F تلرانس است.
16. علامت زیر نشان دهنده ی کدام المان الکتریکی است و واحد آن چه نام دارد؟
- مقاومت - اهم
.jpeg)
- مقاومت متغير - اهم
- مقاومت متغیر - هانری
- مقاومت - هانری
گزینه ۲ صحیح است.
علامت فلش بر روی قطعات آنها را تبدیل به متغیر میکند. اگر علامت به تنهایی مورد سوال بود جواب مقاومت ثابت معمولی میشد. بطور کلی مقاومت چه ثابت باشد چه متغیر واحدش اهم است.
17. دو فاکتور مشخصه ی خازنهای الکترولیتی عبارتند از:
- جریان و ولتاژ قابل تحمل
- ولتاز قابل تحمل و ظرفیت
- ولتاژ قابل تحمل و گرما
- جریان و گرما
گزینه ۲ صحیح است.
ولتاژ قابل تحمل و ظرفیت خازن دو فاکتور مهم و اساسی در خازن میباشد که در دیتا شیت آن که توسط کارخانه سازنده نوشته شده وجود دارند.
.jpeg)
18. در مدار زیر مقدار جریان کدام یک از گزینه های زیر است؟
- ۳ آمپر
- ۲ آمپر
- ۵ آمپر
- ۵/۳ آمپر
.jpeg)
گزینه ا صحیح است.
چون 5=3+2=RT اهم و VT=15V طبق قانون اهم جواب برابر است با:
19. ظرفیت خازن معادل مدار شکل روبرو چقدر است؟.jpeg)
- ۵ فاراد
- ۹ فاراد
- ۱۰ فاراد
- ۱۲ فاراد
گزینه ۳ صحیح است.
در این ترکیب که ترکیب موازی یا پارالل نامیده می شود ظرفیت معادل خازنها برابر مجموع تک تک خازنها
میباشد. (... +2+Ct-c1)
تست های بخش دوم
1. برای یکسو کردن ولتاژ AC از کدام نوع دیود در درون شارژرها استفاده می شود؟
- دیود زنر
- دیود معمولی
- دیود نوری
- دیود خازنی
گزینه ۲ صحیح است.
دیود نوری به عنوان آشکارساز نوری و دیود زنر به عنوان تثبیت کننده ولتاژ و دیود خازنی به عنوان خازن متغیر با ولتاژ استفاده میشود دیود قدرت همانند دیود معمولی است اما با توان قابل تحمل بالا پس برای
یکسوسازی استفاده میشود.
2. مقدار ولتاز آستانه ی دیود ژرمانیم جهت راه اندازی چقدر است؟
- ۰/۲ تا ۰/۳ ولت
- ۰/۶ تا ۰/۷ ولت
- ۱۰ ولت
- ۱ ولت
گزینه ۱ صحیح است.
مقدار ولتاژ آستانه ی برای بایاس دیود ژرمانیم ۳/. ولت و برای سیلیسیم ۷/. ولت میباشد.
3. عکس العمل دیود زنر در بایاس موافق مشابه کدام یک از دیودهای زیر است؟
- دیود آشکارساز
- دیود معمولی
- دیود نورانی
- دیود خازنی
گزینه ۲ صحیح است.
دیود زنر در بایاس مستقیم مانند دیود معمولی عمل میکند یعنی اتصال کوتاه است و عمدتا کاربرد زنر در بایاس معکوس می باشد که به عنوان تثبیت کننده استفاده میشود.
4. ولتاژ خروجی شکل مقابل چقدر است؟.jpeg)
۱) ۱۰ ولت
(۲) ۵ ولت
(۳) ۵/۷ ولت
(۴) ۱/۵ ولت
گزینه ۳ صحیح است.
چون خروجی ما موازی با دیود زنر میباشد و چون ولتاژ زنری برابر 5.7 ولت می باشد و مقدار آن تثبیت شده است. خروجی ما به ازای هر مقدار از ورودی برابر 57 ولت خواهد شد. (نوع بایاس دیود زنر معکوس میباشد)
است.
5. شکل مقابل سمبل مداری کدام قطعه است؟.jpeg)
- دیود
- ترانزیستور NPN
- ترانزیستور PNP
- ترانزیستور FET
گزینه ۳ صحیح است.
با توجه به علامت فلش روی پایه امیتر میتوانیم نوع ترانزیستور را تشخیص دهیم بدین صورت که اگر جهت فلش به سمت داخل (مرکز) باشد PNP در غیر این صورت NPN است.
6. کدام گزینه در مورد بایاس پیوندهای BC ,BE ترانزیستور فعال صادق است؟
- موافق - موافق
- مخالف - مخالف
- مخالف - موافق
- موافق - مخالف
گزینه ۴ صحیح است.
در ترانزیستور نوع منفی NPN با توجه به اینکه بیس از نوع مثبت بوده پیوند بیس امیتر هدایت کرده و در بایاس موافق می باشد و بیس کلکتور در پاپاس مخالف بوده و هدایت نمی کند.
7. آرایش کلکتور مشترک ترانزیستور تقویت کننده ی کدام یک از پارامترهای زیر میباشد؟
- ولتاژ
- جریان
- توان
- فرکانس
گزینه ۲ صحیح است.
از آرایش کلکتور مشترک میتوان به عنوان تقویت کننده جریان و از پیس مشترک به عنوان تقویت کننده ولتاژ و از امیتر مشترک به عنوان تقویت کننده جریان ولتاژ و توان استفاده کرد.
8. کلاس کار ترانزیستور مدارات قدرت پوش) (پول) کدام یک از گزینه های زیر است؟
- A
- B
- C
- AB
گزینه ۲ صحیح است.
چون مداری که در کلاس B کار میکند سیگنال را تنها از یک طرف یعنی نصف سیکتال) تقویت میکند. لذا برای اینکه تقویت کننده در این کلاس عملکرد کاملی داشته باشد نیاز به دو مدار یکی برای نیم سیکل مثبت و دیگری برای نیم سیکل منفی میباشد که به این روش اتصال پوش پول می گوییم
9. در یک تقویت کننده، موج خروجی میتواند۵۰٪ موج ورودی .باشد ترانزیستور در کدام کلاس کار می کند؟
- C
- A
- B
- AB
گزینه ۳ صحیح است.
چون مداری که در کلاس B کار میکند سیگنال را تنها از یک طرف (یعنی نصف سیگنال) تقویت میکند.
10. اگر روی ترانزیستور حروف انگلیسی بزرگ نوشته شود معرف کدام نوع استاندارد ترانزیستورها
میباشد؟
- ژاپنی
- اروپایی
- آمریکایی
- چینی
گزینه ۲ صحیح است.
در صورت نوشته شدن حروف انگلیسی بزرگ بر روی ترانزیستور استاندارد معرفی از نوع اروپایی است.
.jpeg)
11. شکل مقابل چه نوع بایاسی میباشد؟
- باباس اتوماتیک
- بایاس فیدبک منفی
- سلف بایاس
- بایاس مستقیم
گزینه ۱ صحیح است.
با توجه به وجود مقاومتهای R1 و R2 و تغذیه آنها از کلکتور بایاس نوع اتوماتیک میباشد.
12. در تقویت کنندهای چند طبقه برای کوپلاژ از کدام قطعه استفاده میشود؟
- سلف
- مقاومت
- خازن
- دیود
گزینه ۳ صحیح است.
در کل سه نوع کوپلاز داریم که عبارتند از مستقیم خازنی و ترانسفورمری که مستقیم بعلت تاثیر تغییر نقطه کار dc یک تقویت کننده بر دیگری که منجر به عدم انتقال توان مناسب با توجه به عدم تطبیق امپدانس و تغییر نقطه کار میشود کاربرد ندارد و خازنی برای تقویت کننده های توان پایین و ترانسفورمری در تقویت کننده های توان بالا بکار میرود. اما نوع ترانسفورمری با توجه به حجیم سنگین و غیر اقتصادی بودن کار برد
زیادی ندارد.
13. شکل مقابل سمبل مداری کدام آلمان میباشد؟.jpeg)
- مقاومت
- سلف هوایی
- سلف هسته دار
- سلف با هسته متغیر
گزینه ۴ صحیح است.
اگر خط چین بالای هسته وجود نداشت بدون هسته و اگر به صورت . خط پیوسته بود هسته دار میشد.
14. آرایش امیتر مشترک ترانزیستور تقویت کننده ی کدام یک از موارد زیر میباشد؟
- فقط جریان
- فقط ولتاز
- فقط توان
- ولتاژ و جریان و توان
گزینه ۴ صحیح است.
از آرایش کلکتور مشترک میتوان به عنوان تقویت کننده جریان و از بیس مشترک به عنوان تقویت کننده ولتاز و از امیتر مشترک به عنوان تقویت کننده جریان ولتاژ و توان استفاده کرد.
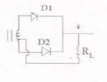
15. خروجی مدار زیر کدام است؟
.jpeg)
.jpeg)
.jpeg)
.jpeg)
.jpeg)
گزینه ۳ است. صحيح
در مدار فوق اگر از یک دیود استفاده میشد یکسوساز نیم موج و چون دو دیود وجود دارد یکسوساز تمام موج
دیودی میباشد.
16. شکل روبرو مربوط به کدام گیت منطقی است؟
- AND
.jpeg)
- NAND
- OR
- NOR
گزینه ۲ صحیح است.
سمبل مقابل متشکل از دو کیت هست که قسمت اول آن یک AND و قسمت دوم یک NOT میباشد که در مجموع NAND را تشکیل میدهد.
17. در کدام آرایش ترانزیستورها اختلاف فاز ورودی و خروجی ۱۸۰ درجه است؟
- بیس مشترک
- کلکتور مشترک
- امیتر مشترک
- کلکتور بیس
گزینه ۳ صحیح است.
در آرایش امیتر مشترک ولتاژ ورودی و خروجی ۱۸۰ درجه اختلاف فاز دارند چون دارای بهره منفی میباشد.
18. نماد زیر معرف کدام نوع دیود است و کاربرد اصلی آن در مدارات الکتریکی چیست؟
- دیود زنر - تثبیت ولتاژ
.jpeg)
- دیود زنر - مبدل برق DC به AC
- دیود نورانی - تثبیت ولتاژ
- دیود نورانی - ایجاد نور
گزینه ۱ صحیح است.
نماد فوق نماد یک دیود زنر میباشد که در بایاس مستقیم به عنوان دیود معمولی عمل میکند ولی کاربرد آن در بایاس معکوس می باشد که به عنوان تثبیت کننده ولتاژ کاربرد دارد.
19. آی سی هایی که پایه های آنها بصورت زیر شکمی است و دیده نمی شود اصطلاحاً چه نامیده
میشود؟
- BGA
- AGP
- GPS
- DSM
گزینه ۱ صحیح است.
آی سی هایی که پایه های آنها بصورت زیر شکمی است و در زیر آی سی قرار دارد و دیده نمی شود BGA و آی سی هایی که پایه های آن در اطراف قرار داشته و دیده میشوند آی سی های SMD نامیده میشوند.
20. تشخیص پایه کلکتور از امیتر به چه صورت است؟
- بستگی به نحوه قرار گیری در مدار دارد.
- مقدار اهمی پیوند بیس کلکتور بیشتر از بیس امیتر میباشد.
- مقدار اهمی پیوند بیس کلکتور برابر با بیس امیتر میباشد.
- مقدار اهمی پیوند بیس کلکتور کمتر از پیش امیتر میباشد.
گزینه ۱۴ صحیح است.
در تشخیص پایه های ترانزیستور پایه ای که نسبت به دو پایه دیگر مشترک باشد بیس و از بین کلکتور و امیتر هر کدام اهم کمتری نسبت به دیگری داشته باشد کلکتور و پایه باقیمانده امیتر میباشد.
تست های بخش سوم
1. برای شوک دادن باطری موبایل منبع تغذیه روی چه محدوده ای باید قرار گیرد؟
- برابر ولتاژ باطری
- دو برابر ولتاژ باطری
- سه برابر ولتاژ باطری
- چهار برابر ولتاژ باطری
گزینه ۲ صحیح است.
برای شوک دادن به باطری دو برابر ولتاژ باطری و برای شارژ باتری ولتاژ باتری را به اضافه یک میکنیم
2. جهت کنترل دمای باتری تلفن همراه از کدام المان استفاده میشود؟
- خازن
- مقاومت معمولی
- مقاومت حرارتی منفی NTC
- سلف
گزینه ۳ صحیح است.
برای کنترل دمای باتری از مقاومت منفی یا NTC استفاده میکنیم که با افزایش دما مقاومت آن کاهش یافته و
بالعكس.
3. در تعویض قطعات روی برد تلفن همراه از کدام ماده جهت جلوگیری از تشکیل شدن سطح اکسید هنگام در قطعه برداری استفاده میشود؟
- روغن لحیم معمولی
- روغن فلکس
- سیم لحیم
- سیم قلع کش
گزینه ۲ صحیح است.
چون قطعه برداری با استفاده از هیتر بلوور انجام میشود باید از روغن فلکس یا مایع فلکس استفاده شود.
4. برای درآوردن قطعات مجتمع برد تلفن همراه از کدام دستگاه استفاده میشود؟
- هویه قلمی
- هیتر بلوور
- روغن لحیم
- مایع فلکس
گزینه ۲ صحیح است.
برای برداشتن قطعات مجتمع مانند آی سی ها با توجه به کثرت کوچک بودن و در اکثر مواقع دیده نشدن پایه ها
از هیتر استفاده میشود.
5. دامنه موج نمایش داده شده روی صفحه اسکوپ ۵ خانه (پیک تو پیک) و رنج دکمه ضریب نمایش ولتاژ (Volt/div) روی عدد ۵ میباشد. (بدون ضریب پراب) مقدار موثر آن چقدر خواهد بود؟
- ۸/۹ ولت
- ۲۵ ولت
- ۱۰ ولت
- ۱ ولت
گزینه ۱ صحیح است.
روی صفحه اسکوپ همیشه Vp-p نمایش داده میشود. اما در اینجا سوال از ما ولتاژ موثر را خواسته است. پس:
Vp=Vp p/2=25/2=12.5 Vrms-Vp*0.707=12.5*0.707=8.83
6. برای تست قطعات روی برد تلفن همراه از کدام دستگاه استفاده میشود؟
- وات متر
- پترن ژنراتور
- سیگنال ژنراتور
- مولتی متر
گزینه ۴ صحیح است.
توسط مولتی متر مخصوصا در رنج اهمی میتوان بیشتر قطعات روی برد موبایل و اتصالات آن را بررسی نمود
7. مزیت برد و قطعات SMD نسبت به برد و قطعات معمولی چیست؟
- حجم کم، امکانات و دوام بالا
- حجم زیاد، امکانات و دوام بالا
- حجم کم، امکانات و دوام پایین
- حجم کم، بدون امکانات جانبی و دوام کم
گزینه ۱ صحیح است.
برد SMD بردی است که برخلاف بردهای دیگر قطعات در هر طرف برد مونتاژ شود از همان طرف نیز لحیم کاری میشود. پس از هر دو طرف برد برای مونتاژ قطعات میتوان استفاده کرد.
8. جهت لحیم کاری و قلع اندود کردن قطعات در موبایل از هویه چند واتی بیشتر استفاده میشود؟
- ۱۰۰ وات
- ۱۲۰ وات
- ۸۰ وات
- ۴۰ وات
گزینه ۴ صحیح است.
اکثرا از هویه ۴۰ وات قلمی بعلت توان و حرارت کم استفاده می شود که به قطعات صدمه ای وارد نشود.
9. اگر خازن را با اهم متر عقربه ای تست کنیم باید:
- عقربه ی اهم متر تا مسیری برود و سپس برگردد.
- عقربه ی اهم متر تا رنجی حرکت کند و ثابت بایستد.
- عقربه نباید حرکت کند.
- با تعویض پایه ها باید اهمی نشان داده شود و بالعکس اهم نشان داده نشود.
گزینه ۱ صحیح است.
ابتدا باید با اتصال دو پایه خازن به هم آن را دشارژ نمود سپس با اتصال پروب های مولتی متر به پایه های خازن
باید عقربه اهم متر تا مسیری برود و سپس برگردد.
10. اگر دیود سالم را با اهم متر عقربه ای تست کنیم باید
- عقربه اهم متر تا مسیری برود و برگردد.
- از یک طرف عقربه حرکت کرده ولی با تعویض جای پرابها عقربه حرکت نکند
- اهم متر تا مسیری برود و ثابت بماند.
- عقربه از هر دو طرف حرکت کند و یا از هر دو طرف بدون حرکت باشد.
گزینه ۲ صحیح است.
اگر پایه منفی دیود با منفی اهم متر یکی بود عقربه باید حرکت کند در غیر اینصورت نباید حرکتی داشته باشد. اصطلاحا اگر در بایاس مستقیم قرار گیرد باید اتصال کوتاه در غیر اینصورت اتصال باز باشد.
11. برای جرم گیری برد موبایل از چه ابزار یا موادی استفاده نمی کنیم؟
- دستگاه اولتراسونیک
- الکل
- تینر ۱۰۰۰۰
- نفت
گزینه ۴ صحیح است.
برای تمیز کردن و شستشوی برد از موادی استفاده میکنیم که قرار بوده و سریعاً از روی برد بخار شود.
12. ولت متر دارای چه مقاومت داخلی است و در مدار به چه صورتی قرار میگیرد؟
- بسیار زیاد - سری
- بسیار زیاد - موازی
- بسیار کم - سری
- بسیار کم - موازی
گزینه ۲ صحیح است.
ولت متر دارای مقاومت داخلی بینهایت بوده و به صورت موازی در مدار قرار میگیرد
13. تامین ولتاژ مدارات در حالت تست بوسیله کدام یک از دستگاههای زیر انجام می پذیرد؟
- مولتی متر
- اسلسکوپ
- سیگنال ژنراتور
- منبع تغذيه
گزینه ۴ است. صحيح
در حالت تست و بدون باتری از منبع تغذیه جهت تغذیه گوشی استفاده می کنیم.
14. برای جمع آوری لحیم های اضافی قطعات بر روی برد از کدام وسیله استفاده میشود؟
- مایع فلکس
- هیتر
- خمیر قلع
- سیم قلع کش
گزینه ۴ صحیح است.
سیم قلع کش با قلع گیر وسیله ای است که با استفاده از هویه بر روی لحیم اضافی گرم کرده و لحیم را پاک
کنیم
15. کدام نوع ولتاژ توسط اسیلوسکوپ و کدام نوع ولتاژ توسط ولت متر AC اندازه گیری میشود؟
- موثر و پیک
- پیک تو پیک و موثر
- موثر و پیک تو پیک
- موثر و موثر
گزینه ۲ صحیح است.
همیشه مولتی متر مقادیر را به صورت موثر نشان میدهد و اسیلوسکوپ با توجه به اینکه به صورت شکل موج است بصورت پیک تو پیک نشان میدهد.
16. در کدام یک از موارد زیر میتوان از اسپری خشک استفاده نمود؟
- جهت پایه سازی با شابلون
- برای بالا بردن درجه ذوب لحیم
- شستشوی برد
- بعنوان روغن در لحیم کاری
گزینه ۳ صحیح است.
اسپری خشک ماده ای جهت تمیز کردن روی برد موبایل می باشد تمیز کردن و شستشو دادن برد میباشد.
17. جهت اندازه گیری ظرفیت سلف و خازن از کدام یک از دستگاههای زیر استفاده میکنند؟
- اهم متر
- فرکانس متر
- پترن ژنراتور
- ال سی متر
گزینه ۴ صحیح است.
ال سی متر (LC متر) دستگاهی است برای اندازه گیری ظرفیت خازن بر حسب فاراد و ظرفیت سلف بر حسب
هانری است.
18. کدام یک از دستگاههای زیر همان مولتی متر میباشد؟
- اسکوپ
- سوئیپ ژنراتور
- آوومتر
- سیگنال ژنراتور
گزینه ۳ صحیح است.
آوومتر یا آئومتر (AVD) همان دستگاه مولتی متر برای اندازه گیری جریان مقاومت و ولتاژ میباشد.
19. نحوه قرارگیری دستگاههای ولت متر و آمپرمتر در مدار به ترتیب از راست به چپ کدام است؟
- موازی - سری
- موازی - موازی
- سری - موازی
- سری - سری
گزینه ۱ صحیح است.
ولت متر به علت داشتن مقاومت داخلی بینهایت در مدار بصورت موازی قرار میگیرد و آمپرمتر بعلت داشتن مقاومت داخلی کم در حد صفر در مدار بصورت سری قرار میگیرد.
20. برای نمایش شکل موج یا سیگنال خروجی یک IC از کدام دستگاه زیر میتوان استفاده کرد؟
- مولتی متر عقربه ای
- مولتی متر دیجیتالی
- منبع تغذیه
- اسیلوسکوپ
گزینه ۱۴ صحیح است.
اسیلوسکوپ دستگاهی است که به وسیله آن میتوان شکل موجها را نمایش داده و فرکانس و زمان تناوب
امواج و طول دامنه آنها را محاسبه نمود
21. در زمان تست یک قطعه با مولتی متر عقربه ای Selector روی Kx1 از رنج های اهم تنظیم شد
است و عقربه روی ۲۵ قرار گرفته است کدام گزینه صحیح؟
- مولتی متر ۲۵ کیلو اهم را نشان میدهد
- مولتی متر ۲۵ اهم را نشان میدهد
- مولتی متر ۲۵۰۰۰ کیلو اهم را نشان میدهد
- مولتی متر ۰/۰۲۵ اهم را نشان میدهد
گزینه ۱ صحیح است.
عدد روی سلکتور ضرب در عدد نمایش داده شده توسط عقربه مولتی متر ۱K*۲۵
22. کدام یک از موارد زیر جزء ابزارها و دستگاههای اندازه گیری ولتاژ نمیباشد؟
- مولتی متر
- اسیلوسکوپ
- ولتمتر
- آمپرمتر
گزینه ۴ صحیح است.
توسط مولتی متر ولت متر و اسیلوسکوپ می توان ولتاژ مدار را محاسبه نمود اما آمپرمتر صرفا برای اندازه گیری
ریان خواهد بود.
23. در تست دیود معمولی توسط اهم متر از هر دو سمت اهم متر کاملاً هدایت کرده و مقداری یکسان
نشان میدهد در اینصورت دبود مذکور:
- سالم است
- معیوب است
- به عنوان یکسوساز عمل میکند
- اتصال باز است.
گزینه ۲ صحیح است.
در تست دیود سالم توسط اهم متر باید از یک سمت هدایت کرده و از سمت دیگر هدایت نکرده و هیچ اهمی را
نشان ندهد در غیر اینصورت دیود خراب است.
تست های بخش چهارم
1. محدوده فرکانس موبایل در ایران چقدر است؟
- ۹۰۰ مگا هرتز
- ۱۸۰۰ مگا هرتز
- ۹۰۰ و ۱۸۰۰ مگا هرتز
- ۸۰۰ و ۱۹۰۰ مگا هرتز
گزینه ۳ صحیح است.
محدوده فرکانس موبایل قبلا در ایران ۹۰۰ مگاهرتز بود ولی با توجه به ترافیک شبکه در شهرهای بزرگ اخیراً
از ۱۸۰۰ مگاهرتز نیز استفاده شده است.
2. در تلفن همراه در طبقه رادیویی از کدام نوع فیلتر استفاده شده است؟
- بالاگذر
- میان گذر
- پایین گذر
- میان نگذر
گزینه ۲ صحیح است.
با توجه به اینکه فرکانسهای مورد استفاده در قسمت رادیویی فرکانسهای میانی می باشد باید از فیلترهای
میان گذر استفاده کرد.
.jpeg)
3. مدار روبرو مربوط به کدام فیلتر میباشد؟
- بالاگذر
- پایین گذر
- میان گذر
- میان نگذر
گزینه ۱ صحیح است.
HPF مخفف HIGH PAS FILTER به معنای فیلتر بالاگذر است در شکل فوق نیز سیگنال فقط از HPF عبور
کرده است.
4. سیستم DCS در کدام محدوده فرکانس کار میکند؟
- ۹۰۰ MHZ
- MHZ ۱۸۰۰
- MHZ ۱۹۰۰
- ۳G
گزینه ۲ صحیح است.
Gsm در سه گروه دسته بندی میشود اولین فرکانس ۹۰۰ مگاهرتز میباشد که اصطلاحا gsm گفته میشود. دومین دسته ۱۸۰۰ مگاهرتز می باشد که اصطلاحا des گفته میشود سومین دسته در باند فرکانس مگاهرتز کار کند که اصطلاحا pen یا pcs میگویند.
5. کدام یک ازگزینه های زیر بیانگر نقش اسیلاتور در مدارات تلفن همراه میباشد؟
- تقویت کننده امواج
- حذف کننده موج
- تولید کننده موج
- جداساز موج
گزینه ۳ صحیح است.
طبق تعریف اسیلاتور مولد موج یا همان فرکانس است که هم در گوشی و هم در BTS وجود دارد.
6. قسمت میکسر در کدام طبقه تلفن همراه قرار دارد؟
- مدار آنتن
- مدار RF
- مدار صوتی
- مدار دیجیتالی
گزینه ۲ صحیح است.
میکس یعنی ترکیب کردن سیگنالها با هم به قسمتی که این عمل را انجام میدهد میکسر گفته میشود چون میکسر قسمتی از آی سی RF می باشد لذا در قسمت رادیویی موبایل قرار دارد.
7. ولتاژ کاری سیم کارتهای جدید چند ولت است؟
- ۵ ولت
- سه ولت
- ۱۲ ولت
- ۳/۶ ولت
گزینه ۲ صحیح است.
سیم کارتهای قدیم با ولتاژ ۵ ولت و سیم کارتهای جدید با ولتاژ ۳ ولت کار میکنند.
8. تغییرات دامنه موج حامل با دامنه ی موج پیام بیانگر کدام نوع مدولاسیون است؟
- AM
- FM
- PM
- PCM
گزینه ۱ صحیح است.
اگر دامنه پیام با ۱- دامنه موج حامل تغییر کند از نوع AM فاز 2- موج حامل تغییر کند از نوع PM فرکانس موج حامل تغییر کند از نوع FM خواهد بود.
9. مزیت مدولاسیون فرکانس پر مدولاسیون دامنه کدام گزینه است؟
- نویز کم
- نویز زیاد
- قدرت کم
- قدرت زیاد
گزینه ۱ صحیح است.
در مدولاسیون FM چون اطلاعات پیام بر روی دامنه موج حامل سوار نمیشوند نویز تاثیر کمتری روی این نوع
مدولاسیون میگذارد.
10. پهنای باند فرکانسی شبکه تلفن همراه ۹۰۰ مگاهرتز ایران چقدر است؟
- KHz ۲۰
- MHz ۲۵
- KHz ۲۵
- MHz ۲۰
گزینه ۲ صحیح است.
با توجه به اینکه در مسیرهای UPLINK و DOWN LINK محدوده فرکانسی شبکه به صورت زیر است لذا پهنای
باند شبکه ۲۵ مگا هرتز میباشد.
11. تعداد کانال (یا تایم اسلات) روی هر فرکانس در شبکه تلفن همراه چقدر میباشد
- ۸ کانال
- ۱۸ کانال
- ۱۰ کانال
- ۲۶ کانال
گزینه 1 صحیح است.
شبکه تلفن همراه ایران (شبکه ۹۰۰ مگاهرتز) دارای ۱۲۴ فرکانس و یک فرکانس باند محافظ جمعاً ۱۲۵ فرکشن میباشد که هر فرکانس میتواند دارای ۸ کانال یا تایم اسلات برای مکالمه سیگنالینگ و پیام کوتاه باشد.
12. فرکانس اسیلاتور RF در تلفن همراه چقدر است؟
- MHz ۳۲.۷۶۸
- KHz ۳۲.۷۶۸
- ۷.MHz ۱۰
- MHz ۲۶
گزینه ۱۴ صحیح است.
از جمله فرکانسهای اسیلاتور ۱۳ مگاهرتز، ۲۶ مگاهرتز و ۱۹.۵ مگاهرتز میباشد.
13. محل ثبت مشترکین مهمان در شبکه تلفن همراه کدام است؟
- EIR
- VLR
- HLR
- MSC
گزینه ۲ صحیح است.
HLR به مرکز کنترل کل شبکه اطلاق میشود VLR به مرکز نگهداری اطلاعات مشترکین گفته می شود که اطلاعات مشترکین مهمان نیز در این قسمت ثبت میشود. EIR جهت چک کردن سریال گوشی یا IMEI کاربرد دارد .MSC مرکز سوئیچ موبایل میباشد.
14. قابلیت اتصال گوشی به شبکه دینای پر سرعت و نیز استفاده از صفحات ساده اینترنتی با داشتن کدام سرویس ویژه در گوشی میسر است؟
- IR & GPS
- WAP & GPS
- WAP & GPRS
- HTML
گزینه ۳ صحیح است.
با استفاده از امکانات جدید اتصال به اینترنت با سرعت بالا و بدون سیم (WAP & GPRS) میتوان توسط گوشی از این سرویس ویژه استفاده نمود.
15. محل تشخیص سیم کارت در شبکه تلفن همراه کدام گزینه است؟
- HLR
- EIR
- AUC
- MSC
گزینه ۳ صحیح است.
محل تشخیص سیم کارت که از طریق آن شماره سریال سیم کارت IMSI چک میشود و مجاز و غیر مجاز بودن
آن تعیین می گردد.
16. مرکز سوئیچینگ مشترکین تلفن همراه کدام گزینه میباشد؟
- MSC
- HIR
- VLR
- EIR
گزینه صحیح است.
مرکز سروپیچینگ موبایل MSC است که مخفف جمله MOBILE SWITCHING CENTER میباشد.
17. اگر مشترکی در لیست خاکستری یا GRAY باشد:
- مجاز به استفاده از شبکه است.
- نمیتواند از شبکه استفاده کند.
- وضعیت مشکوکی دارد و باید دقیق در چک شود.
- فقط میتواند برای تماسهای ضروری استفاده کند.
گزینه ۳ صحیح است.
اگر در لیست باز قرار گیرد مجاز اگر در لیست سیاه قرار گیرد غیر مجاز و اگر در لیست GRAY قرار گیرد مشکوک است.
18. در کدام قسمت موبایل شماره سریال گوشی (IMEI) چک میشود و مجاز یا غیر مجاز بودن آن برای استفاده از شبکه مشخص میشود؟
- EIR
- HLR
- VLR
- AUC
گزینه ۱ صحیح است.
HLR به مرکز کنترل کل شبکه اطلاق میشود VLR به مرکز نگهداری اطلاعات مشترکین گفته میشود که از دو قسمت AUC که جهت چک کردن IMSI سیم کارت و EIR جهت چک کردن سریال گوشی یا IMEI کاربرد دارد.
19. به هزینه ای که بابت تامین و نگهداری شبکه تلفن همراه از مشترکین دریافت میشود چه گفته
می شود؟
- شارژینگ
- رومینگ
- آبونمان
- پالس
گزینه ۱ صحیح است.
شار زنگ هزینه مکالمه است که بابت تامین نگهداری شبکه گرفته میشود. آبونمان حق اشتراک است. پالس واحد محاسبه هزینه و رومینگ هزینه جابجایی میباشد.
20. به عمل جداسازی موج پیام از موج حامل اصطلاحاً چه گفته میشود؟
- دمدولاسیون
- مدولاتور
- مدولاسیون
- دمدولاتور
گزینه ۱ صحیح است.
محل سوار کردن موج را مدولاسیون و عمل جداسازی را دمدولاسیون می گوییم
21. شبکه تلفن همراه معادل کدام یک از گزینه های زیر میباشد؟
- PSTN
- PLMN
- BTS
- MSC
گزینه ۲ صحیح است.
PUBLIC LAND MOBILE NETWork به معنای شبکه تلفن همراه
22. هزینه جابجایی در شبکه موبایل کدام یک از گزینه های زیر میباشد؟
- شارژینگ
- رومینگ
- آبونمان
- سرویس ویژه
گزینه ۲ صحیح است.
هنگامی که مشترک از شبکه تعریف شده حوزه خود خارج و از شبکه دیگری استفاده میکند بابت این جابجایی باید پرداخت کند که رومینگ نام دارد.
تست های بخش پنجم
1. pin1 مربوط به کدام قسمت است و چه نقشی دارد؟
- سيم کارت - محدودیت تماس
- سیم کارت - کد امنیتی
- گوشی - محدودیت تماس
- گوشی - کد امنیتی
گزینه ۲ صحیح است.
کد امنیتی کردن گوشی است به منظور اینکه گوشی در مقابل سوء استفاده های احتمالی محافظت گردد و برای
احراز هویت شخص در نظر گرفته میشود.
2. بعد از چند بار اشتباه وارد کردن کد pin1 نیازمند وارد کردن کد puk1 برای راه اندازی
سیم کارت هستیم؟
- يكبار
- دوبار
- سه بار
- هشت بار
گزینه ۳ صحیح است.
که امنیتی سطح یک یعنی PINI اگر سه بار اشتباه وارد گردد درخواست کد امنیتی سطح بالاتر PUK را خواهد
3. بعد از چند بار اشتباه وارد کردن کد puk1 سیم کارت مسدود شده و اصطلاحا بلوکه میشود؟
- یک بار
- سه بار
- هشت بار
- یازده بار
گزینه ۳ صحیح است.
بعد از وارد کردن این کد (PUK1) بین ۴ تا ۱۰ بار سیم کارت میسوزد و باید درخواست سیم کارت جدیدی از مخابرات نمود.
4. PIN2 چه کاربردی در تلفن همراه دارد؟
- کد امنیتی
- محدودیت تماس
- کد منحصر به فرد گوشی
- تماس اضطراری
گزینه ۲ صحیح است.
PIN2 کد چهار رقمی برای بعضی از تنظیمات منو و یا سرویسهای شبکه و محدودیت تماس بکار میرود.
5. گزینه Minute Minder در منوی گوشیهای سامسونگ چه کاربردی دارد؟
- افزودن حافظه شمارش
- ریست شمارنده ها
- کرنومتر دستی
- دقیقه شمار مکالمه
گزینه ۴ صحیح است.
در منوهای گوشیهای سامسونگ جهت شمارش و محاسبه زمان مکالمه گزینه ای به نام Minute Minder وجود دارد که با فعال کردن این گزینه زمان مکالمه ثبت و نمایش داده میشود.
6. کدام یک از کدهای زیر نمایشگر ورژن نرم افزاری در گوشی های سامسونگ میباشد.
- #9999#*
- *#06#
- *#9999
- #9999#*
گزینه ۴ صحیح است.
جهت نمایش نسخه نرم افزاری در برندهای مختلف گوشیهای تلفن همراه کدهای خاصی وجود دارد که در گوشیهای سامسونگ که مد نظر این سوال می باشد گوشیهای سامسونگ با کد #19999#* میباشد.
7. برای تنظیم نور صفحه LCD تلفن همراه کدام گزینه در منوی گوشی باید تنظیم شود؟
- Standby
- contacts
- Contrast
- connect
گزینه ۳ صحیح است.
از منوی عمومی گوشی تلفن همراه گزینه تنظیمات و از آنجا جهت تنظیم نور صفحه LCD جهت کم نور یا پر نور کردن صفحه نمایش گزینه Contrasts را انتخاب کرده تا با افزایش یا کاهش نور صفحه نمایش را تنظیم نمود.
8. اگرسرویس مشخصی بر روی گوشی فعال گردیده که مشترک فاقد آن باشد چه پیغامی روی
گوشی صادر خواهد شد؟
- Check Operator Service
- Not Register
- the mobile set is off
- no response to paging
گزینه ۱ صحیح است.
گزینه ۲ مربوط به ثبت گوشی در شبکه و گزینه ۳ به معنای خاموش بودن گوشی و گزینه ۴ به معنای در دسترس نبودن مشترک میباشد تنها گزینه ۱ که صحیح میباشد اشاره به این دارد که سرویسهای موجود پرسی شود چون درخواست سرویسی شده است که مشترک شامل آن نمی باشد
9. ظاهر شدن پیغام Not Registered در گوشی تلفن همراه دلیل بر چیست؟
- محدودیت تماس در گوشی فعال شده است.
- مشترک مورد نظر در دسترس نمیباشد.
- شماره سریال منحصر به فرد گوشی IMEI در شبکه ثبت نشده است
- شماره کد PIN در شبکه ثبت نشده است.
گزینه ۳ صحیح است.
توجه به اینکه در هر گوشی شماره سریال منحصر به فردی وجود دارد که شبکه با این شماره سریال گوشی را شناسایی می کند در صورت عدم ثبت این شماره سریال در شبکه گوشی در شبکه قادر به ارائه سرویس نخواهد
بود که همان IMEI کد میباشد.
10. اگر سیم کارت روی گوشی تلفن همراه باشد اما گوشی قادر به شناسایی سیم کارت نبوده و پیغام
Insert SIM Card را صادر نماید دلیل صدور این پیغام کدام مورد نمی باشد.
- عدم اتصال صحیح سیم کارت به گوشی
- سوختگی سیم
- عدم اتصال صحیح پدهای آنتن
- سوختگی دیود محافظ شیشه ای
گزینه ۳ صحیح است.
همه گزینه ها جز گزینه ۳ به سیم کارت مسیر سیم کارت و اتصالات مربوط به سیم کارت اشاره دارد که گزینه در خصوص اتصالات آنتن و آنتن دهی میباشد که ارتباطی به سیم کارت ندارد.
11. پیغام Call barring در گوشی بیانگر چه حالتی است؟
- محدودیت سرویس
- محدودیت مکالمه
- عدم دسترسی در شبکه
- خرابی سیم کارت
گزینه ۲ صحیح است.
با توجه به پیغام صادره Call barring نشانگر وجود یک نوع مشکل و محدودیت در مکالمه میباشد که مشترک به دلایلی امکان برقرار نمودن ارتباط را نداشته و دارای محدودیت در تماس میباشد.
12. برای انتخاب اپراتور صورت دستی در گوشی تلفن همراه مدل نوکیا کدام مراحل را باید طی نمود
- Setting>network>operator selection>manual
- Setting>network>operator selection>auto
- Setting>security>phone
- Setting> operator >auto & manual
گزینه ۱ صحیح است.
از منوی اصلی گوشی وارد قسمت Setting تنظیمات میشویم سپس وارد قسمت شبکه یا network شده و بعدا وارد قسمت انتخاب ایرانور یا operator selection شده و از آنجا نوع ایرانور که در سوال دستی با
manual است را انتخاب میکنیم.
13. در منوی گوشی تلفن همراه گزینه مربوط به تنظیمات کدام است؟
- Tools
- Gallary
- Message
- Settings
گزینه ۴ صحیح است.
با توجه به متن سوال تنظیمات گوشی در منوی مربوط به settings صورت می پذیرد که گزینه های بعدی به
معنای ابزار کالری و پیام میباشد
14. بعد از زدن کلید پاور در گوشی تلفن همراه اولین آی سی که فعال میشود کدام است؟
- ccont
- cpu
- cobba
- chaps
گزینه ۱ صحیح است.
بعد از زدن کلید پاور در گوشی بلافاصله آی سی تغذیه ccont فعال میشود تا تغذیه قسمتهای مختلف را تامین کند که پس از آن cpu فعال شده تا دستور راه اندازی قسمتهای مختلف مدار از جمله کلید صفحه نمایش و بقیه قسمتها صادر شود.
15. با فعال کردن گزینه Call Diverting در گوشی تلفن همراه چه تغییراتی در کاربری گوشی رخ
می دهد؟
- انتظار مکالمه در گوشیهای تلفن همراه فعال می گردد.
- انتقال مکالمه در گوشیهای تلفن همراه فعال می گردد.
- مکالمه کنفرانسی در گوشیهای تلفن همراه فعال می گردد.
- انتقال مکالمه به همراه انتظار در گوشیهای تلفن همراه فعال می گردد.
گزینه ۲ صحیح است.
یا فعال کردن گزینه divert در منوی تلفن همراه انتقال مکالمه در گوشی صورت می پذیرد که میتوان مکالمه را به خط تلفن ثابت با شماره تلفن همراه دیگر انتقال داد
16. کدام یک از کدهای زیر برای نمایش شماره سریال گوشی (Code IMEI) استفاده می شود؟
- #۱۲۳۴۵#*
- 0000#*#
- *#506
- #06#*
گزینه ۴ صحیح است.
شماره سریال گوشی شماره منحصر به فردی که در پشت گوشی کنار جای باتری نوشته میشود که برای شناسایی در شبکه حتما در شبکه مخابرات باید ثبت شده باشد و با استفاده از کد #06#* بر روی گوشی نمایش داده
می شود.
17. تصاویر در گوشی تلفن همراه در کدام منو نمایش داده میشود؟
- GALLERY
- GAME
- CALENDER
- SETTINGS
گزینه ۱ صحیح است.
تصاویر در منوی گالری به معنای عکس در تلفن همراه نمایش داده میشود بقیه موارد به معنای بازی تقویم و
تنظیمات در گوشی تلفن همراه میباشد.
18. ظاهر شدن پیغام خطای Limited Service در گوشی تلفن همراه نشانگر چیست؟
- در دسترس نبودن مشترک
- مشغول بودن شبکه
- محدودیت سرویس
- عدم شناسایی کارت سیم
گزینه ۳ صحیح است.
Limited Service در گوشی تلفن همراه زمانی اتفاق می افتد که محدودیتی در سرویسهای قابل استفاده شبکه ایجاد شده باشد. گزینه های دیگر مربوط به در دسترس نبودن یا مشغول بودن شبکه و گزینه آخر مربوط به
خود گوشی میباشد
19. در صورت سوختن سیم کارت چه پیغامی روی صفحه گوشی ظاهر میشود؟
- INSERT SIM CARD
- CARD REJECTED
- NO NETWORK COVERAGE
- گزینه ۱ و ۲
گزینه ۴ صحیح است.
در صورتی که سیم کارت بسوزد با گوشی تشخیص ندهد که سیم کارت روی گوشی قرار دارد (سیم کارت سوخته) درخواست ورود سیم کارت را میکند و یا اعلام می نماید که سیم کارت را نمی پذیرد که به معنای سوختن سیم میباشد.
20. کدام قطعه در تلفن همراه در مسیر دو طرفه ی ارسال (TX) و دریافت (RX) قرار ندارد.
- SW.ANT
- آنتن هوایی
- PF
- آنتن اصلی
گزینه ۳ صحیح است.
ارسال و دریافت سیگنال توسط قطعاتی از جمله آتش در انواع مختلف و سوئیچ آنتن صورت می پذیرد در
تنها توسط قسمت PF سیگنال در قسمت خروجی و ارسال TX تقویت می گردد.
21. وقتی که گوشی تلفن همراه در حال شارژ میباشد در چه صورتی مشخص میشود که باتری به صورت کامل شارژ شده است؟
- وقتی که پیغام Charging روی صفحه ظاهر می گردد.
- وقتی که پیغام Not charging روی صفحه ظاهر گردد.
- وقتی که پیغام Full Battery روی صفحه ظاهر گردد.
- وقتی که پیغام PLEASE WAIT روی صفحه می گردد.
گزینه ۳ صحیح است.
با اتصال شارژر به گوشی بعد از شارژ کامل شدن گوشی پیام Full Battery یعنی باتری کامل شارژ شده است ظاهر گردد که در سایر گزینه ها یا گوشی در حال شارژ بوده یا شارژ نشده و مشکل شارژ دارد
22. برای قرار دادن گوشی روی حالت بیصدا از کدام گزینه زیر استفاده میشود؟
- General
- Silent
- offline
- outdoor
گزینه ۲ صحیح است.
حالت های کاری گوشی تلفن همراه چند دسته می باشد که در حالت silent زنگ تلفن همراه قطع شده و بصورت بی صدا در می آید در حالت general outdoor گوشی صدای زنگ داشته و در حالت offline گوشی غیر فعال می باشد.
23. برای یکطرفه کردن گوشی تلفن همراه در منوی تنظیمات کدام گزینه باید فعال گردد؟
- own number sending
- contact service
- system failure
- Limited Service
گزینه ۱ صحیح است.
برای یک طرفه نمودن گوشی تلفن همراه گزینه own number sending را در منوهای تلفن همراه فعال می نمایند. گزینه ها مربوط به تنظیمات شبکه و محدودیتهای آن میباشد.
24. در گوشی های که منشی تلفن برای پاسخگویی مکالمه در مواقع ضروری دارند کدام گزینه باید
تنظیم گردد؟
- Touch say
- Audio
- Answer phone
- IDLE answer
گزینه ۳ صحیح است.
منشی تلفنی در صورت ضرورت در گوشی هایی که در منوی آنها گزینه منشی وجود داشته و یا در مدل هایی با اضافه نمودن نرم افزار و انجام تنظیمات مربوط در قسمت Answer phone میتوان قابلیت پاسخگویی آن را فعال کرد
25. برای حذف انتقال مکالمه در گوشی تلفن همراه کدام کد صحیح میباشد؟
- 21#*
- #21#
- *21*
- *21#*
گزینه ۲ صحیح است.
برای فعال سازی انتقال مکالمه کد (#شماره مورد نظر *۲۱۵*) وارد شده و برای غیر فعال کردن انتقال مکالمه
از کد #۲۱# استفاده می شود.
26. کد پیش فرض کارخانه در گوشی های نوکیا برای قفل گوشی (phone code) کدام گزینه میباشد؟
- 12345
- 0000
- 000000
- 11111
گزینه ۱ صحیح است.
کد بازگشت به تنظیمات اولیه کارخانه ای در گوشی های نوکیا ۱۲۳۴۵ میباشد.
27. کد پیش فرض کارخانه در گوشیهای سامسونگ برای قفل گوشی (phone code) کدام گزینه میباشد؟
- 12345
- 00000000
- 1123
- 1111
گزینه ۲ صحیح است.
کد کارخانه ای و بازگشت به تنظیمات اولیه کارخانه ای در گوشیهای سامسونگ معمولا 0000 یا 00000000.
28. کد پیش فرض کارخانه در گوشیهای چینی برای قفل گوشی (phone code) کدام گزینه می باشد؟
- 1122
- 0000
- 12345
- 54321
گزینه ۱ صحیح است.
کد کارخانه ای بازگشت به تنظیمات اولیه در گوشیهای چینی میتواند ۱۱۲۲ یا ۲۲۱۱ یا ۲۲۳۳ باشد
29. برقراری ارتباط از مشترک به سمت آنتن موبایل و از آنتن موبایل به سمت مشترک چه نامیده می شود؟
- uplink
- down link
- link
- handover
گزینه ۳ صحیح است.
ارسال اطلاعات از مشترک به آنتن موبایل uplink و از آنتن موبایل به مشترک down link میباشد و به این
ارتباط دو طرفه link گفته می شود.
30. شبکه تلفن همراه در ایران با پوشش همراه اول بر روی گوشی چگونه نمایش داده میشود؟
- MTN
- IRANCELL
- IR-MCI
- ROMING
گزینه ۳ صحیح است.
شبکه تلفن همراه اول توسط اپراتور اول یا همراه اول بر روی تلفن همراه با لوگوی IR MCI بر روی گوشی
نمایش داده می شود.
تست های بخش ششم
1. کاربرد پایه BSI در باتری تلفن همراه کدام یک از گزینه های زیر میباشد؟
- تشخیص وجود یا عدم وجود باتری روی گوشی
- تامین ولتاژ مثبت باتری
- تامین زمین یا شاسی برای باطری
- اندازه گیری دمای باطری
گزینه ۱ صحیح است.
در پایه های باطری قطب تامین کننده ولتاژ و - زمین یا شاسی میباشد. علاوه بر آن قطب BSI برای تشخیص
وجود باطری بر روی موبایل و پایه TEMP برای تعیین و تنظیم درجه حرارت باتری بکار میرود.
2. پارامترهای مهم در انتخاب باتری های گوشی همراه کدام یک از گزینه های زیر میباشد؟
- جنس باتری جریان نامی باتری (۳/۶) تا ۳/۹ آمپر) بهره توان ورودی باتری
- جنس باتری جریان نامی باتری (۳/۶) تا ۳/۹ آمپر) بهره توان خروجی باتری
- جنس باتری ولتاژ نامی باتری (۳/۶) تا ۳/۹ آمپر) ولت بهره توان ورودی باتری
- جنس باتری ولتاژ نامی باتری (۳/۶ تا ۳۹ ولت بهره توان خروجی باتری میباشد.
گزینه ۴ صحیح است.
برای انتخاب باطری های موبایل مرغوب و با کیفیت و برای درجه بندی آنها از جمله پارامترهای مهم جنس باتری که معمولا باطری های خوب از جنس یون لیتیوم و محدوده ولتاژ کاری با ولتاژ نامی باتری و بهره توان خروجی باتری و زمان نگهداشت آن میباشد
3. باتری BACKUP در گوشی تلفن همراه ولتاژ کدام یک از کریستالهای زیر را تامین میکند؟
- کریستال ساعت ۳۲/۷۶۸ مگاهرتز
- کریستال ساعت ۲۲/۷۶۸ کیلوهرتز
- کریستال ساعت ۱۳ مگاهرتز CPU
- کریستال ساعت ۲۶ مگاهرتز RF
گزینه ۲ صحیح است.
باطری BACK UP باتری کوچک که در صورت نبود باطری اصلی بمدت ۱۰ الی ۱۵ دقیقه RTC را تغذیه میکند
4. کدام یک از موارد ذیل از کار کرد باطری BACK UP میباشد؟
- به عمل روشن شدن گوشی کمک کرده و در صورت خرابی آن گوشی اصلا کار نمی کند
- در زمان شارژ باتری اصلی به بهبود عمل شارژ کمک میکند.
- در غیاب باطری اصلی ساعت و تاریخ سیستم را کمتر از یک ساعت زنده نگه میدارد.
- در غیاب باطری اصلی ساعت و تاریخ سیستم را همیشه زنده نگه میدارد.
گزینه ۳ صحیح است.
باطری BACKUP باتری کوچک که در صورت نبود باطری اصلی بمدت ۱۰ الی ۱۵ دقیقه RTC را تغذیه کند که از جمله وظایف آن تنظیمات مربوط به ساعت و تاریخ میباشد.
5. کدام نوع از آنتن های زیر در گوشیهای تلفن همراه کاربرد دارد؟
- آنتن مخفی
- آنتن کشوی
- آنتن BTS
- گزینه ۱ و ۲
گزینه ۴ صحیح است.
آنتنهای مورد استفاده در گوشیهای تلفن همراه ثابت مخفی کشوی و سرخود میباشد اما BTS جزو انتهای
شبکه موبایل میباشد
6. کدام یک از ولتاژهای زیر مناسب برای شوک دادن باتری میباشد؟
- حدود ۳.۷ ولت
- حدود ۷.۲ ولت
- حدود ۱۲ ولت
- حدود ۱۵ ولت
گزینه ۲ صحیح است.
برای شوک دادن به باطری ولتاژ مناسب در حدود دو برابر ولتاژ نامی باتری میباشد که با توجه به ولتاژ نامی باتری ۳.۷ ولت جواب در حدود ۷.۵ ولت میباشد.
7. در صورتی که پایه های آنتن اصلی گوشی باید مربوطه آن ارتباط مناسب برقرار نکند کدام یک از
ایرادهای زیر حاصل میگردد؟
- ضعف یا پرش آنتن
- عدم روشن شدن گوشی
- خاموش شدن گوشی در زمان پاسخ دهی
- مشکلی برای گوشی پیش نمی آید
گزینه ۱ صحیح است.
در صورتیکه پایه های آنتن با پد روی برد تماس کامل نداشته و ارتباط مناسب برقرار نگردد ضعف آنتن دهی و پرش آنتن به وجود خواهد آمد و در کیفیت و وضعیت مکالمه تاثیر خواهد گذاشت.
8. وقتی که گفته میشود یک باتری اصطلاحاً تایمی شده چه مفهومی دارد؟
- باطری اصل است
- باطری زود شارژ شده و دیر خالی میشود
- باطری زود شارژ ورود دشارژ میشود.
- باطری دیر شارژ شده و زود خالی میشود
گزینه ۳ صحیح است.
باتری ها در اثر عوامل مختلف از جمله ساختار داخلی - مدت زمان زیاد زیر بار بودن و استفاده شدن و درست استفاده نشدن حرارت ضربه و عوامل مشابه تایمی میشوند یعنی زود شارژ شده و زود دشارژ و خالی میشوند.
9. کدام یک از گزینه های زیر در خصوص پایه TEMP باطری صحیح نیست؟
- وجود باتری را روی گوشی تشخیص میدهد
- برای اندازه گیری دمای باطری استفاده میشود
- داخل باتری توسط یک مقاومت حرارتی از نوع منفی به قطب منفی باتری متصل میباشد
- به آی سی تغذیه متصل میباشد
گزینه ۱صحیح است.
پایه temp که مربوط به درجه حرارت باتری گوشی می باشد و پایه BSI جهت تشخیص وجود باتری روی گوشی کاربرد دارند که در باتری های جدید هر دو پایه در یک پین قرار گرفته اند.
10. کدام یک از آنتن های زیر جزو بدنه اصلی گوشی به شمار نمی روند؟
- ثابت
- کشویی
- مخفی
- هوانی
گزینه ۴ صحیح است.
در انواع مختلف گوشی از آنتن های ثابت کشویی و مخفی استفاده میشود و آنتن هوائی یک نوع آنتن ext
خارجی محسوب می شود.
11. حدود ولتاژ باتری backup در گوشی تلفن همراه چقدر میباشد؟
- تا ۱ ولت
- تا ۳ ولت
- ۳.۷ ولت
- ۴.۲ ولت
گزینه ۲ صحیح است.
ولتاژ خود باتری در حدود ۳.۷ ولت و ولتاژ باتری backup در حدود ۲ تا ۳ ولت میباشد.
12. در تلفن همراه دمای باتری گوشی توسط کدام یک از موارد زیر اندازه گیری میشود؟
- PTC
- NTC
- VDR
- LDR
گزینه ۲ صحیح است.
مقاومت حرارتی منفی NTC درجه حرارت را اندازه گیری می کند بدین شکل که با افزایش حرارت مقدار مقاومت کمتر شده و این تغییر مقاومت با اعمال به مدارات مربوطه باعث تنظیم درجه حرارت باطری شده و از گرم شدن آن جلوگیری بعمل می آورد.
13. برای باز کردن پیچ های قاب پشتی اغلب گوشیهای نوکیا از کدام یک از ابزار زیر استفاده میشود؟
- آچار T6
- آچار T7
- آچار T8
- آچار T9
گزینه ۱ صحیح است.
در بیشتر گوشیها مخصوصا نوکیا برای باز شدن پیچ های پشتی از آچار T6 استفاده میشود.
14. جهت باز کردن گوشی زمانی که تمام پیچ های روی قاب باز شدهاند برای آنکه به قاب صدمه و خش وارد نشود بهتر است از کدام ابزار استفاده شود؟
- کاردک فلزی
- کاردک پلاستیکی (ناخنک)
- آچار L
- پیچ گوشتی
گزینه ۲ صحیح است.
در گوشی های امروزی برای سهولت سرویس گوشی به جای پیچ از خارهای کناری به عنوان نگهدارنده در قاب روئی و پشتی استفاده می شود لذا برای باز کردن آن بایستی از کاردک پلاستیکی با اصطلاحاً ناخنک استفاده کرد.
15. در زمان تعویض قاب اصلی گوشی لیبل یا برچسب پشت گوشی را چگونه باید برداشت تا در قاب
جدید نصب گردد؟
- با استفاده از تیتر
- با استفاده از هویه قلمی
- با استفاده از حرارت زیاد
- با استفاده از مختصری حرارت
گزینه ۴ صحیح است.
چون مشخصات اصلی گوشی روی لیبل نوشته شده و از نظر امنیتی مهم می باشد لذا برای برداشتن آن مقداری حرارت داده تا چسب زیر آن نرم گردد و سپس آن را به آرامی کنده و در قاب جدید میچسبانیم
16. برچسب پشت گوشی (لیبل) حاوی چه اطلاعاتی میباشد؟
- فقط شماره سریال و تاریخ ساخت
- شماره سریال تاریخ ساخت و مدل گوشی
- تاریخ ساخت و مدت زمان کار کرد
- شماره سریال و مدت زمان کار کرد
گزینه ۲ صحیح است.
جهت ارائه اطلاعات اولیه امنیتی در پشت گوشی روی لیبل اطلاعاتی از قبیل مدل گوشی شماره سریال گوشی و تاریخ ساخت گوشی نوشته شده است.
17. در گوشی های تاشو برای جدا کردن قسمت بالای گوشی از طبقه پایین و برد اصلی از کدام ابزار استاندارد استفاده می شود؟
- آچار L شکل
- آچار فلزی
- پیچ گوشتی
- کاردک
گزینه ۱ صحیح است.
برای جدا کردن طبقه بالا از طبقه پایین و برد اصلی گوشی و کی پد برای اینکه در اولای اطراف گوشی هیچ گونه خراشی ایجاد نشود از آچار با شکل استفاده می شود که جهت فشار دادن بین لولا و جدا نمودن از طبقه میانی بکار میرود
18. در ساختمان داخلی شارژرهای جدید از چه نوع تکنولوژی منبع تغذیه و شارژ استفاده شده است؟
- القائي
- ترانس افزاینده
- سوئیچینگ
- تفاضلی
گزینه ۳ صحیح است.
جهت کم حجم بودن و دوام بیشتر منابع تغذیه امروزه در ساختمان شارژرها از نوع سوئیچینگ استفاده شده است.
19. در باتری های که سه یا چهار پین دارند بین سوم و چهارم به جز پایه های + و - چه نقشی دارند؟
- حسگر وجود باتری روی گوشی
- حسگر دما
- حسگر وجود باتری روی گوشی و دما
- حسگر ولتاژ
گزینه ۳ صحیح است.
زمانیکه گوشی به شارژر وصل نشده و در حال کار است پایه سوم او نقش تشخیص باطری روی گوشی را بر عهده دارد و با زدن به شارژر به عنوان پایه حسگر دما عمل میکند و میتواند این دو پایه بصورت مجزا نیز باشد.
20. کدام یک از مواد زیر در ساخت باتریهای امروزی استفاده شده و مناسب تر میباشد؟
- یون لیتیوم
- نیکل کادمیوم
- ليتيوم
- نیکل متال هیدرات
گزینه ۱ صحیح است.
باطری های کادمیوم و مثال هیدرات دیر شارژ شده و ظرفیت کمی داشته لذا زود دشارژ میشوند حجم بزرگتری دارند اما باتریهای یون لیتیوم دارای ظرفیت نگه داشتن بیشتر و کیفیت بالاتری می باشند
21. باطری BACK UP توسط کدام قسمت در تلفن همراه شارژ میشود؟
- توسط آداپتور
- توسط شارژر
- توسط باطری اصلی گوشی
- احتیاج به شارژ ندارد
گزینه ۳ صحیح است.
با توجه به اینکه زمان نگه داشت اطلاعات توسط باتری BACKUP در غیاب باطری حدودا ۱۰ دقیقه است و خود این باطری نیز زمانی که گوشی در حال شارژ نیست از باطری اصلی گوشی شارژ میشود.
22. نحوه اتصال آنتن بیرونی EXT.ANT به گوشی تلفن همراه به چه صورتی است؟
- مادون قرمز
- بلوتوث
- کابل USB
- کابل کواکسیال یا RG
گزینه ۴ صحیح است.
در مناطقی که انرژی آنتن کم بوده و در مناطق بیرون شهر از آنتن هوایی جهت دریافت انرژی و سیگنال
بیشتر استفاده می شود این عمل توسط کابل و کانکتورهای مخصوص صورت می پذیرد
23. اگر ظرفیت باتری یک گوشی موبایل AH 600m باشد و جریان عبوری از آن حین مکالمه ۱۰۰mA باشد چند ساعت میتوان با آن مکالمه نمود؟
- ۱ساعت
- ۶ ساعت
- ۶۰ ساعت
- ۳۶۰ ساعت
گزینه ۱ صحیح است.
600mah=h*100ma h=6
تست های بخش هفتم
1. برای تحریک پیکسلهای روی صفحه نمایش تلفن همراه کدام عامل باید تزریق شود؟
- ولتاز
- جریان
- نور
- حرارت
گزینه ۱ صحیح است.
نقطه های ریز (پیکسلها) که بصورت افقی و عمودی کل صفحه را پر میکنند با تزریق کوچکترین ولتاژ نسبت به نقاط دیگر رنگی میشوند.
2. مقدار اهمی کپسول گوشی SP کدام یک از گزینه های زیر میباشد؟
- زیر یک اهم
- ۱ تا ۱۰ اهم
- ۳۰ تا ۱۰۰ اهم
- بالای ۱ کیلو اهم
گزینه ۳ صحیح است.
چون جریان خروجی بلندگو جریان ضعیفی است لذا مقدار اهمی آن بالاتر است که این مقدار با توجه به استانداردها ۱۰۰-۳۰ اهم میباشد.
3. میکروفون (دهنی) مورد استفاده در گوشیهای تلفن همراه معمولاً از چه نوعی است؟
- زغالی
- خازنی
- سلفی
- دینامیکی
گزینه ۲ صحیح است.
با توجه به داشتن ترانزیستور تقویت کننده داخل میکروفن خازنی کیفیت دریافت این نوع میکروفن ها بسیار زیاد
است.
4. در گوشی هایی که بازر جداگانه ندارند بازر با کدام یک از قطعات زیر به صورت مشترک استفاده
میشود؟
- کپسول گوشی
- کپسول دهنی
- ویبره
- ميكروفون
گزینه ۱ صحیح است.
در گوشی هایی که بازر ندارند کپسول گوشی یا همان اسپیکر نقش بازر را ایفا میکند.
5. برای سرویس کی پد (پولکهای زیر چسب نایلونی) از کدام یک از موارد زیر استفاده میشود؟
- مسواک
- تیتر
- اولتراسونیک
- مداد جوهر پاک کن
گزینه ۴ صحیح است.
گزینه های یک تا سه از جمله موادی هستند که در صورت برخورد با برچسب صفحه کلید خاصیت چسبی آنرا
از بین میبرد.
6. بعد از روشن کردن گوشی نمایشگر سفید می آید علت آن کدام یک از گزینه های زیر نمی تواند
باشد؟
- مدار Back Light
- مدار محافظ LCD
- سوکت یا فلت LCD
- کلید پاور
گزینه ۴ صحيح است.
کلید پاور کلیدی است که وظیفه روشن و خاموش کردن گوشی را بر عهده دارد.
7. کدام یک از قطعات زیر دارای پایه های مثبت و منفی بوده و باید هنگام نصب آن جهت پایه ها رعایت
شود؟
- ویبره
- بلندگو
- بازر زنگ
- میکروفون
گزینه ۴ صحیح است.
بازر زنگ و موتور ویبره و بلندگو عملاً جهت ندارند ولی میکروفون استفاده شده در موبایل از نوع خازنی است و
دارای پایه های مثبت و منفی است.
8. منظور از مدار SMPS چیست؟
- مداری است که توسط آن صدا تولید می شود.
- مداری است که توسط آن ولتاژ برای بلوکهای مختلف گوشی تثبیت و تنظیم میشود.
- مداری است که توسط آن ولتاژی بیشتر از ولتاژ باطری تولید میشود.
- مداری است که توسط آن آنالوگ به دیجیتال تبدیل میشود.
گزینه ۴ صحیح است.
چون فلورسنتهای زیر LCD به ولتاژ بیشتر از ولتاژ باتری نیاز دارند برای فراهم ساختن این ولتاژ از یک CONVERTER DC استفاده میکنیم مدار SMPS نوعی از این CONVERTERها میباشد.
9. کدام گزینه صحیح؟
- صفحه نمایش LCD میتواند به عنوان دستگاه ورودی باشد.
- با خراب شدن صفحه لمسی باید LCD تعویض شود.
- صفحه لمسی بصورت جداگانه در بازار یافت میشود.
- صفحه لمسی با LCD یک قطعه محسوب میشود.
گزینه ۳ صحیح است.
نمایشگر وسیله ای جهت نمایش اطلاعات میباشد که از قطعات خروجی محسوب میشود. خراب شدن صفحه
لمسی ربطی به نمایش گر ندارد.
10. کدام یک از قطعات زیر جزء واحد UI نمیباشد؟
- میکروفون
- کپسول گوشی
- بازر زنگ
- آنتن مخفی
گزینه ۲ صحیح است.
خرابی صفحه کلید به CPU صفحه کلید سوکت و آی سی محافظ صفحه کلید مربوط میشود.
11. در صورتی که تعدادی از کلیدها از کار افتاده باشد علت چیست؟
- آی سی محافظ کی پد - سوکت کی بد - آی سی CPU
- آی سی محافظ کی پد - سوکت کی پد - آی سی CCONT
- آی سی RAM - سوکت کی پد - کی پد رویی
- آی سی محافظ کی پد - سوکت کی پد - آی سی RF
گزینه ۱ صحیح است.
خرابی صفحه کلید به CPU صفحه کلید سوکت و آی سی محافظ صفحه کلید مربوط میشود.
12. در صورتی که صدای ارسالی ضعیف باشد کدام گزینه نمیتواند باعث خرابی باشد؟
- فیلتر TX
- MIC
- PFO
- COBBA
گزینه ۳ صحیح است.
میکروفن و COBBA جز بلوک صوتی میباشند فیلتر TX نیز در ارسال صدا نقش دارد. PF نیز تنها در ارسال امواج نقش دارد و خرابی آن نیز به قسمت رادیویی مربوط می شود
13. بهترین روش برای طراحی کی پد کدام یک از روشهای زیر میباشد؟
- مستقیم
- مقاومتی
- ماتریسی
- دیودی
گزینه ۳ صحیح است.
روش ماتریسی یا سطری - ستونی روشی است که به ازای هر سطر و هر ستون فقط یک پایه بیرون می آید که این کار باعث کاهش چشمگیر تعداد پایه ها میشود.
14. برد UIF شامل چه قسمتهایی است؟
- آی سی RF - آی سی شارژ
- Lcd-Mic-Speaker-Key pad-Led
- UEM-CPU
- FLASH-EEP ROM
گزینه ۲ صحیح است.
UIF مخفف جمله USER INTERFACE میباشد که معادل رابط کاربر میشود که عبارتند از LCD.KEY و.....
15. کدام یک از گزینه های زیر از انواع صفحه کلید تلفن همراه نمی باشد؟
- کربنی
- نیترات نقره
- فلزی
- نیکلی
گزینه ۴ صحیح است.
کرینی نیترات نقره و فلزی از انواع صفحه کلید رایج در گوشی میباشد.
16. اگر کربن زیر دکمه های شماره گیر تلفن همراه یا پولکهای آن معیوب شده باشد باید……..
- برای شماره گیری دکمه ها را محکم تر فشار دهیم.
- CPU را تعویض کنیم
- کریستال محافظ شیشه ای صفحه کلید را تعویض کنیم.
- دکمه های روی قاب صفحه کلید را تعویض کنیم
گزینه ۱ صحیح است.
کربن های زیر کی بد در اثر ساییدگی یا اکسید شدن به سختی کار میکنند و برای شماره گیری باید محکم فشار
داده شوند.
17. وظیفه آی سی های شیشه ای ESD در تلفن همراه کدام یک از گزینه های زیر میباشد؟
- جلوگیری از الکتریسیته ساکن بدن
- راه اندازی مدارات جانبی
- جلوگیری از پارازیت ها
- یکسوسازی سیگنالهای خروجی
گزینه ۱ صحیح است.
ESD به معنی اثر تخلیه الکترواستاتیکی میباشد و آن همان الکتریسیته ساکن بدن است که در اثر برخورد
احتمال خرابی بعضی از قطعات مانند MOSFET بیشتر است.
تست های بخش هشتم
1. در نقشه خوانی تلفن همراه علامت کدام مسیر را بیان میکنند؟
- TX
- RX
- RX&TX
- مسیر شارژ
گزینه ۲ صحیح است.
اگر جهت فلش به سمت قطعه مثلا آی سی باشد از نوع RX و اگر به سمت خارج از قطعه باشد خروجی یا TX و
اگر هر دو فلش باشند TRX خواهد بود.
2. کلمات RF و AF در تلفن همراه بیانگر کدام بلوکها میباشند؟ (به ترتیب از راست به چپ)
- رادیویی - صوتی
- صوتی - رادیویی
- آنتن - شارژر
- رادیویی - دیجیتالی
گزینه ۱ صحیح است.
حرف R مخفف کلمه RADIO یعنی رادیو و حرف A مخفف کلمه AUDIO یعنی صوت میباشد.
3. RX و TX به ترتیب از راست به چپ بیانگر کدام مسیر در گوشی تلفن همراه میباشد؟
- ارسال و دریافت
- دریافت و ارسال
- شارژ و تغذیه
- تغذیه و شارژ
گزینه ۲ صحیح است.
حرف R مخفف کلمه RECIEVE یعنی دریافت و حرف آ مخفف کلمه TRANSMIT یعنی ارسال میباشد.
4. AUDIO در نقشه تلفن همراه به کدام طبقه گوشی اشاره دارد؟
- صوتی
- رادیویی
- دیجیتالی
- گیرنده
گزینه ۱ صحیح است.
AUDIO کلمه انگلیسی است که معادل فارسی آن صوت میباشد.
5. گزینه VCC در نقشه گوشی تلفن همراه بیانگر کدام یک از گزینه های زیر است؟
- ولتاژ منفی باتری
- ولتاژ مثبت باتری
- ولتاژ زمین
- ولتاژ باطری BACK
گزینه ۲ صحیح است.
همیشه VCC+ نشانگر تغذیه مثبت مدار میباشد.
6. کدام یک از موارد زیر از مشخصه های طبقه دیجیتال در گوشی تلفن همراه میباشد؟
- IC های این طبقه بصورت موازی با هم در ارتباط بوده و دارای پایه های زیادی هستند
- IC های این طبقه به صورت موازی با هم در ارتباط بوده و دارای پایه های محدود و کمی هستند
- CPU و UEM در این طبقه نیستند
- در این طبقه مدارات مجتمع نسبت به طبقات دیگر کمتر است
7 گزینه ۱ صحیح است.
آی سی های این طبقه دارای پایه های زیادند و موازی هم اند. CPU UEM هم جز این طبقه اند.
7. قطعاتی که با حروف R و L در نقشه تلفن همراه مشخص می شوند به ترتیب از راست به چپ بیانگر کدام یک از قطعات زیر میباشد؟
- سلف و مقاومت
- مقاومت و سلف
- مقاومت - خازن
- سلف - دیود
گزینه ۲ صحیح است.
همیشه R نماد مقاومت و L نماد سلف در مدارات الکتریکی میباشد.
8. قطعاتی که با حروف Q و D در نقشه تلفن همراه مشخص می شوند به ترتیب از راست به چپ بیانگر
کدام یک از قطعات زیر میباشد؟
- خازن و مقاومت
- دیود و خازن
- ترانزیستور و دیود
- دیود و مقاومت
گزینه ۳ صحیح است.
در مدارات و نقشه ها Q نماد ترانزیستور و D نماد دیود میباشد.
9. حفره های روی برد موبایل (متالیزه) چه نقشی دارند؟
- ارسال و دریافت اطلاعات نرم افزار
- جهت اتصال لایه های برد به همدیگر
- همان خطوط FBUS و MBUS هستند
- جهت اتصال بد تا به بلندگو و میکروفون
گزینه ۲ صحیح است.
چون برد موبایل از چندین لایه تشکیل شده است که هر یک دارای سیم کشی مجزا برای قطعات میباشد از
متالیزه ها برای رساندن این اتصالات به سطح برد استفاده میشود.
.jpeg)
10. شکل زیر معرف کدام قطعه است؟
- خازن
- دیود
- کریستال
- باطری
گزینه ۳ صحیح است.
نماد دیگری از کریستال است که در مدارات از آن استفاده میشود.
11.. قطب مثبت باتری در نقشه تلفن همراه چگونه نمایش داده میشود؟
- Vbat
- Vout
- Vin
- VGND
گزینه ۱ صحیح است.
VOUT یعنی ولتاژ خروجی -Vin یعنی ولتاژ ورودی Vgnd یعنی ولناز زمین با شاسی و Vbat یعنی ولتاژ باطری
12. شکل مقابل سمبل مداری کدام آلمان است؟
- سوئیج آنتن
- کریستال
- PA
- آنتن
گزینه ۴ صحیح است.
مربوط به آنتن میباشد. سوئیچ آنتن و PA جزای سیها میباشند که به شکل مربع نمایش داده میشوند کریستال نیز شکل خاص خود را دارد.
13. شکل مقابل در نقشه تلفن همراه بیانگر کدام قطعه میباشد؟.jpeg)
- NTC کنترل دما
- VDR
- LDR
- PTC
گزینه ۲ صحیح است.
شکل LDR متشکل از دو فلش نور میباشد. شکل NTC و PTC دارای یک فلش مورب است. شکل فوق مربوط به VDR میباشد.
14. شکل مقابل در نقشه تلفن همراه معرف کدام یک از گزینه های زیر میباشد؟.jpeg)
- NTC کنترل دما
- PTC کنترل دما
- LDR
- VDR
گزینه ۱ صحیح است.
روی شکل T- بیانگر دما است و شکل یک مقاومت NTC کنترل دما میباشد.
15. EXP SP و EXP MIC روی نقشه تلفن همراه بیانگر کدام یک از گزینه های زیر است؟
- نقاط اسپیکر و میکروفون داخلی
- اسپیکر و میکروفون جانبی
- کانکتورهای هندزفری
- کانکتورهای آنتن مخفی
گزینه ۳ صحیح است.
روی نقشه محل اتصال هندزفری به تلفن همراه را با EXP SP و EXP MIC نشان میدهیم
16. در اصطلاح زبان فنی تلفن همراه منظور از BACKLIGHT چیست؟
- باتری BACK UP
- روشنایی صفحه نمایش گر
- نور پس زمینه
- نور زیر صفحه کلید
گزینه ۳ صحیح است.
BACK یعنی پشت و LIGHT یعنی نور پس BACKLIGHT یعنی پس زمینه
17. در نقشه های تلفن همراه منظور از (A/D) چیست؟
- مبدل آنالوگ به دیجیتال
- مبدل دیجیتال به آنالوگ
- مبدل AC به DC
- مبدل DC به AC
گزینه ۱ صحیح است.
A یعنی آنالوگ و D یعنی دیجیتال و / یعنی TO به معنی "به"
18. روی نقشه های تعمیراتی OSC بیانگر کدام یک از قطعات الکترونیکی است؟
- اسیلاتور یا نوسان ساز
- تقویت کننده ی ولتاژ
- سوئیچ آنتن
- فیلتر
گزینه ۱ صحیح است.
OSC مخفف OSCILLATOR یعنی نوسان ساز یا اسیلاتور میباشد.
19. روی نقشه های تعمیراتی دوربین با کدام نام اختصاری مشخص میشود؟
- D
- CCD
- RTC
- CAM
گزینه ۲ صحیح است.
مخفف CHARGED COUPLED DEVICE است که به دوربین اطلاق می شود.
20. منظور از MMC روی نقشه های تعمیراتی چیست؟
- مموری کارت
- مموری داخلی
- حافظه فلش
- حافظه دائمی
گزینه ۱ صحیح است.
مخفف MULTI MEDIA CARD میباشد که به آن مموری کارت گفته میشود و در دسته بندی حافظه های
جانبی قرار میگیرد.
21. منظور از ESD روی نقشه های تعمیراتی چیست؟
- فیلترهای SAW
- تقویت کننده نویز پایین
- فیلترهای محافظ الکتریسیته ساکن
- تقویت کننده نویز بالا
گزینه ۳ صحیح است.
مخفف ELECTROSTATIC DISCHARGE میباشد. (اثر تخلیه الکترواستاتیکی) که به فیلترهای محافظ این امر
اطلاق میشود.
22. قطعاتی که در نقشه های تلفن همراه درون نقطه چین ) قرار گرفته اند
- روی برد اصلی سواراند
- درون کاور قرار گرفته اند
- پشت برد اصلی نصب شده اند
- جانبی اند و می توان بعداً روی برد نصب کرد
گزینه ۲ صحیح است.
روی نقشه های تلفن همراه بعضی از قطعات حساس که درون محفظه روی برد سوار میشوند را با..….می دهند.
23. شکل زیر نماد کدام قطعه در تلفن همراه میباشند؟.jpeg)
- ميكروفون
- بازر زنگ
- موتور ویبره
- اسپیکر
گزینه ۳ صحیح است.
شماتیک مداری موتور ویبره روی نقشه های تعمیراتی است که M موتور است.
24. مدارات اصلی تلفن همراه کدامند؟
- مدار آنتن - مدار IF - مدار AF - مدار CPU
- مدار RF - مدار AF - مدار CPU
- مدار آنتن - مدار IF - مدار AF
- مدار RF - مدار آنتن - مدار IF - مدار AF - مدار CPU
گزینه ۲ صحیح است.
تلفن همراه از سه دسته رادیویی صوتی و کنترل دیجیتال تشکیل شده است.
25. مسیر TX ارسال سیگنال کدام یک از گزینه های زیر میباشد؟
- آنتن سوئیچ - آنتن هوایی - فیلتر - هاگار - اسپیکر
- آنتن سوئیچ - آنتن هوایی - فیلتر - هاگار - آی سی COBBA - اسپیکر
- ميكروفون - آی سی COBBA - هاگار - فیلتر TX-PFO - آنتن سوئیچ - آنتن داخلی
- میکروفون - CPU - آی سی COBBA - هاگار - فیلتر TX-PFO - کوپلر - آنتن سوئیچ - آنتن داخلی
گزینه ۳ صحیح است.
گزینه سه مسیر ارسال سیگنال می باشد البته در گزینه سه از آی سی COBBA سیگنال به حافظه RAM رفته و
از آنجا به هاگار میرود.
26. روی نقشه ی تلفن همراه کانکتورها عموماً با چه حرفی نمایش داده میشوند؟
- Z
- X
- R
- N
گزینه ۲ صحیح است.
روی نقشه ی تلفن همراه کانکتورها عموماً با حرف X نمایش داده میشوند.
27. در مدارات تلفن همراه مسیر شارژ کدام است؟
- کانکتور باطری - خازن صافی - دیود زنر - آی سی شارژ - مقاومت فیوزی
- کانکتور باطری - مقاومت تست شارژ - آی سی شارژ - دیود زنر - خازن صافی - سلف ضربه گیر - فیلتر
- کانکتور باطری - مقاومت تست شارژ - خازن صافی - دیود زنر - سلف - آی سی شارژ - مقاومت فیوزی
- کانکتور باطری - مقاومت تست شارژ - آی سی شارژ - دیود زنر - خازن صافی - سلف ضربه گیر - مقاومت فیوزی - کانکتور شارژ
گزینه ۴ صحیح است.
مسیر شارژ تلفن همراه مسیری است که تغذیه با ولتاژ در آن از باتری به مدار شارژ برسد و این مسیر گزینه چهار می باشد.
28. دوبلکسر در مدارات تلفن همراه معادل کدام یک از قطعات زیر است؟
- آی سی RF
- آنتن
- سوئیچ آنتن
- فیلتر SAW
گزینه ۳ صحیح است.
عبارت RX ANT TX یعنی دوبلکسر در دو مد سیگنال گیرنده و فرستنده آنتن عمل می کند که همان سوئیچ آنتن در مدار تلفن همراه میباشد.
29. منظور از عبارت IRDA در نقشه های تلفن همراه چیست؟
- مادون قرمز
- بلوتوث
- پایه سیم کارت
- اطلاعات شبکه
گزینه ۱ صحیح است.
منظور INFRARED یا همان مادون قرمز میباشد.
30. در نقشه تلفن همراه کدام یک از قطعات زیر جزء قطعات فعال نمی باشد؟
- سلف
- انواع آی سی
- خازن
- کانکتورها
گزینه ۴ صحیح است.
قطعه ای که تاثیر و نقشی بر روی جریان ولتاژ و سیگنال الکتریکی و غیره داشته باشد چز قطعات فعال به
حساب می آید که کانکتور این نقش را ندارد.
تست های بخش نهم
1. در طبقه رادیویی (RF) کدام یک از آی سی های زیر می تواند تاثیر زیادی در تخلیه ی غیر نرمال باتری داشته باشد؟
- Antenna Switch
- Hagar
- PFO
- VCO
گزینه ۳ صحیح است.
در سوئیچ آنتن با انتخاب پایه ها و سیم کشی مناسب می توان حالت فرستندگی با گیرندگی را تعیین نمود اما آی سی PF,RF دارای مدارات و تقویت کننده ها می باشد. همچنین VCD دارای مدارات تولید فرکانس میباشد.
2. در مدار RF به جای کدام یک از قطعات زیر میتوان سیم کشی کرد؟
- آی سی PFO
- آی سی آنتن سوئیچ
- آی سی RF
- VCO
گزینه ۲ صحیح است.
با توجه به اینکه آی سی (PF) یا (PA) مستقیما از باتری تغذیه شده و تغذیه دریافتی آن توسط آی سی CCONT کنترل نمیشود برخی از ایرادات PF از جمله اتصال باعث تخلیه غیر نرمال باطری میشود.
3. تقویت نهایی سیگنال ارسالی در کدام قسمت RF گوشی توسط کدام قسمت انجام میشود؟
- RF IC
- PF
- LNA
- SAW
گزینه ۲ صحیح است.
برای ارسال نهایی اطلاعات آی سی PF فیدبکی از آی سی HAGAR میگیرد و پس از محاسبه فاصله و توان مورد نیاز سیگنال ارسالی را در حد مورد نیاز تقویت میکند.
4. کدام گزینه در مورد VCO صحیح نمیباشد؟
- وظیفه ی هماهنگ کردن فرکانس گوشی با فرکانسهای BTS را بر عهده دارد.
- قطعه ای در طبقه ی RF است.
- یک نوع نوسان ساز کنترل شده با ولتاژ است.
- یک نوع دوبلکسر است.
گزینه ۴ صحیح است.
سوئیچ آنتن قطعه ای در طبقه ی RF است که یک نوع نوسان ساز کنترل شده با ولتاژ است و وظیفه ی هماهنگ کردن فرکانس گوشی با فرکانسهای BTS را بر عهده دارد دوپلکسر نام دیگر سوئیچ آنتن است.
5. در صورتیکه آنتن نرمال است ولی صدا قطع و وصل میشود اشکال مربوط است به ؟
- IC PF
- IC COBBA
- فیلترهای مدار TX
- خازن تانتانيوم مدار TX
گزینه ۲ صحیح است.
وظیفه تبدیل سیگنالهای دیجیتال به آنالوگ و بالعکس را بر عهده دارد در صورت خرابی نمی تواند اطلاعات را به درستی تبدیل کند که این عمل باعث ایجاد تویز میشود.
6. فیلتر SAW حذف کنندهی کدام یک از موارد زیر میباشد؟
- فرکانس های مزاحم کانال همسایه
- فرکانسهای خروجی
- فرکانسهای صوتی
- فرکانسهای نوسان ساز
گزینه ۱ صحیح است.
سیگنالهای ارسالی توسط BTS ممکن است فرکانسهای مزاحم و با کانالهای همسایه از قبیل فرکانسهای تلویزیونی را بهمراه داشته باشد وظیفه SAW حذف این نوع فرکانس ها و کانالها میباشد
7. کریستال (OSC) در طبقه ی RF تلفن همراه چه نقشی ایفا میکند؟
- تولید امواج صوتی
- تولید امواج رادیویی
- تولید امواج رمپ
- تولید امواج مربعی
گزینه ۲ صحیح است.
کریستال مولد بسیار دقیقی است که وظیفه تولید فرکانس و پالس ساعت را دارد.
8. خرابی VCO باعث اختلال در عملکرد کدام قسمت میشود؟
- TX
- RX-TX
- CPU
- EEPROM
گزینه ۲ صحیح است.
آی سی HAGAR باید روی فرکانسهای مختلف مدولاسیون و دمدولاسیون انجام دهد این عمل مستلزم این است که بتوانیم فرکانس حامل HAGAR را با دقت زیاد تغییر دهیم این عمل توسط VCO انجام میشود. پس نتیجه میگیریم خرابی VCO باعث اختلال در TRX میشود.
9. عمده ترین عامل خرابی کریستال کدام یک از موارد زیر میباشد؟
- حرارت
- رطوبت
- نور
- ضربه
گزینه ۴ صحیح است.
با توجه به ساختار کریستال ضربه مهمترین عامل خرابی کریستال میباشد.
10. در صورت خرابی کریستال RTC تلفن همراه……
- گوشی روشن میشود.
- گوشی کلا از کار می افتد.
- گوشی ارسالی ندارد
- گوشی دریافت ندارد
گزینه ۲ صحیح است.
چون کریستال فرکانس لازم برای راه اندازی CPU را تامین میکند پس با خرابی آن پالس لازم برای راه اندازی CPU تامین نشده در اینصورت CPU خاموش بوده و نمی تواند فرمان روشن بودن گوشی را صادر کند.
11. PFO از کدام نوع آی سی ها میباشد؟
- BGA
- BGY
- SMD
- BBD
گزینه ۲ صحیح است.
آی سی PF معمولا از نوع BGY میباشد تا اولاً کمترین اتصال را داشته باشد. ثانیاً پایه های آن اتصال محکمی با
برد داشته و جریان دهی بهتری داشته باشد.
12. دامنه های نمایشگر آنتن روی صفحه ی نمایشگر از بین رفته است اما کد کشور روی روی آن دیده
میشود. ایراد از کدام قسمت است؟
- PA
- سوئیچ آنتن
- کریستال
- آنتن
گزینه 1 صحیح است.
در صورت خرابی سوئیچ آنتن ضعف یا پرش آنتن یا عدم آنتن دهی خواهیم داشت و در صورت خرابی PF سیگنال ارسالی تقویت نمیشود و حتی می تواند دامنه های نمایشگر آنتن روی صفحه ی گوشی ظاهر نشود.
13. آنتن در گوشی تلفن همراه چه وظیفه ای بر عهده دارد؟
- ارسال امواج
- دریافت امواج
- ارسال و دریافت امواج
- تقویت امواج
گزینه ۳ صحیح است.
آنتن بنا به تعریف قطعه ای غیر فعال است که وظیفه جذب و انتشار امواج را بر عهده دارد پس هم وظیفه
ارسال و هم دریافت را بر عهده دارد.
14. نقش سوئیچ آنتن در مدار تلفن همراه کدام است؟
- نوسان سازی
- تعیین حالت گیرندگی و فرستندگی
- تعيين حالت گیرندگی
- تعیین حالت فرستندگی
گزینه ۲ صحیح است.
کار سوئیچ آنتن تعیین وضعیت فرستندگی و گیرندگی است. اصطلاحا سوئیچ آنتن تعیین میکند که مسیر TX
وصل باشد یا RX
15. ولتاژ آی سی PF جهت تقویت سیگنال خروجی از کدام قسمت تلفن همراه تامین میشود؟
- آی سی تغذیه
- مدار شارژ
- باطری
- کلید پاور
گزینه ۳ صحیح است.
معمولا در گوشی تغذیه دو آی سی UI و PF مستقیما از باتری گرفته میشود و ربطی به آی سی تغذیه ندارد.
16. وظیفه ی آی سی PF در تلفن همراه اینست که ...........
- امواج دریافتی را فیلتر کند.
- امواج ارسالی را فیلتر کند.
- امواج ارسالی را تقویت کند.
- امواج دریافتی را تقویت کند.
گزینه ۳ صحیح است.
ای سی PF برای ارسال نهایی اطلاعات فیدبکی از آی سی HAGAR میگیرد و پس از محاسبه فاصله و توان مورد نیاز سیگنال ارسالی را در حد مورد نیاز تقویت میکند.
17. فیلترهای مورد استفاده در تلفن همراه از کدام نوع فیلترها می باشد؟
- بالاگذر
- میان گذر
- میان نگذر
- پایین گذر
گزینه ۲ صحیح است.
با توجه به اینکه فرکانسهای مورد استفاده در تلفن همراه از نوع میانی است پس فیلترهای مورد استفاده نیز باید
از نوع میان گذر باشد.
18. وظیفه IC پردازشگر رادیویی (HAGAR) کدام است؟
- عمل تبدیل آنالوگ به دیجیتال و بالعکس
- د مدولاسیون و آشکارسازی
- مدولاسیون و دمدولاسیون
- آشکارسازی و تغذیه
گزینه ۳ صحیح است.
آی سی HAGAR وظیفه پیاده سازی با جداسازی اطلاعات دریافتی از موج حامل و نیز سوار کردن اطلاعات بر روی موج حامل را بر عهده دارد که به این عمل مدولاسیون و دمدولاسیون میگویند.
19. عمل تفاضل فرکانسی (میکس در کدام طبقه از مدار تلفن همراه صورت می پذیرد؟
- RF
- AF
- MCU
- UI
گزینه ۱ صحیح است.
عمل میکس در داخل آیسی RSP در بلوک RF انجام میشود.
20. عدم آنتن دهی در گوشی تلفن همراه با کدام یک از موارد زیر مرتبط نیست؟
- خود آنتن
- سوئیچ آنتن
- PFO
- آی سی صدا
گزینه ۴ صحیح است.
عدم آنتن دهی یا ضعف در آنتن دهی میتواند از خود مدار آنتن و اتصالات سوئیچ آنتن و یا PF باشد.
21. شکل زیر نماد چه قطعاتی از تلفن همراه است؟.jpeg)
- خازن
- بازر زنگ
- کریستال
- VCO
گزینه ۳ صحیح است.
شکل فوق مربوط به اسیلاتور یا کریستال میباشد که نماد بین المللی میباشد.
22. در نقشه تلفن همراه معمولاً آی سی ها را با چه حرفی مشخص میکنند؟
- U
- D
- G
- R
گزینه ۱ صحیح است.
در نقشه تلفن همراه قرارداد بر اینست که آی سی ها را با حرف با نمایش میدهند.
23. LNA یعنی:
- تقویت کننده سیگنال با نویز کم
- تقویت کننده سیگنال با نویز زیاد
- تقویت کننده ی نویز و سیگنال
- تقویت کننده ی نویز
گزینه ۱ صحیح است.
مخفف جمله LOW NOISE AMPLIFIER به معنی تقویت کننده سیگنال با نویز کم میباشد.
24. LPF نام اختصاری کدام المان مداری است؟
- فیلتر میان گذر
- فیلتر پایین گذر
- فیلتر بالا گذر
- فیلتر میان نگذر
گزینه ۲ صحیح است.
LPF مخفف جمله LOW PASS FILTER یعنی فیلتر پایین گذر میباشد.
تست های بخش دهم
1. آی سی COBBA مربوط به کدام قسمت از گوشی تلفن همراه است؟
- مدار رادیویی
- مدار شارژ
- مدار صوت
- مدار UI
گزینه ۳ صحیح است.
آی سی COBBA واحد اصلی بلوک صوتی یا AF میباشد که وظیفه تبدیل آنالوگ به دیجیتال و بالعکس را بر
عهده دارد.
2. وظیفه IC صوت در گوشی تلفن همراه چیست؟
- مدولاسیون و دمدولاسیون
- مبدل سیگنال دیجیتال به آنالوگ و برعکس
- تقویت TX ارسالی
- تقویت سیگنال با نویز کم
گزینه ۲ صحیح است.
آی سی COBBA واحد اصلی بلوک صوتی یا AF میباشد که وظیفه تبدیل آنالوگ به دیجیتال و بالعکس را بر
عهده دارد.
3. به چه دلیل در خروجی مدار صوتی از مقاومت استفاده میشود؟
- برای اهمی کردن
- برای حفاظت در مقابل ولتاژهای اضافی
- برای فیلتر کردن
- برای کم کردن صدا
گزینه ۲ صحیح است.
با توجه به اینکه احتمال خطا و نتیجتا القای ولتاژ اضافی در قسمت صوتی وجود دارد لذا برای حفاظت در مقابل
ولتاژهای اضافی از مقاومت استفاده میشود.
4. فرق بین بازر و SP از لحاظ اهمی به چه صورت میباشد؟
- بازر اهم زیاد و SP هم کم
- SP اهم زیاد و بازر اهم کم
- هر دو یک اهم میباشند
- قابل اندازه گیری نمی باشند
گزینه ۲ صحیح است.
به علت اینکه در خروجی اسپیکر سیم پیچ های استفاده شده تعداد دورهای بیشتری داشته و در بازر این تعداد دورها کمتر می باشد لذا اسپیکر اهمی تر است.
5. در روش تست اسپیکر با اهم متر عقربه ای کدام یک از گزینه ها سالم بودن اسپیکر را بیان میکند؟
- زمان تست صدای تق شنیده و اهم متر عددی را نشان میدهد
- زمان تست صدایی شنیده نشده و عقربه حرکت می کند
- زمان تست صدای تق شنیده شده و عقربه حرکت نمیکند
- عقربه حرکت کرده و در رنجی ثابت می ماند
گزینه ۱ صحیح است.
در روش تست اسپیکر با اهم متر عقربه ای زمان تست صدای تق شنیده و اهم متر عددی را نشان میدهد اگر
چنین باشد اسپیکر سالم میباشد.
گزینه ۱ صحیح است.
با توجه به اینکه نقش سلف فیلتر کردن سیگنالهای مزاحم (نویز) میباشد در مسیر بازر و اسپیکر از آن
استفاده شده است.
6. چرا در گوشی تلفن همراه در مسیر بازر و SP از سیم پیچ استفاده میشود؟
- برای فیلتر کردن
- برای یکسو کردن
- برای افزایش صدا
- برای آشکار سازی صوت
گزینه ۱ صحیح است.
با توجه به اینکه نقش سلف فیلتر کردن سیگنالهای مزاحم (نویز) میباشد در مسیر بازر و اسپیکر از آن
استفاده شده است.
7. در تلفن همراه صدای طرف مقابل به گوش میرسد ولی صدا به طرف مقابل منتقل نمیشود. عیب از
کدام قطعه می تواند باشد؟
- SP
- MIC
- فیلتر SAW
- مدار SMPS
گزینه ۲ صحیح است.
در تلفن همراه وظیفه تبدیل سیگنالهای صوتی به الکتریکی به عهده میکروفن است که در مسیر فرستنده قرار دارد و وظیفه تبدیل سیگنالهای الکتریکی به صوتی بر عهده اسپیکر میباشد که در مسیر گیرنده قرار دارد و چون صدای ما به گوش طرف نمیرسد پس فرستندگی ما (میکروفون) مشکل دارد.
8. چنانچه در گوشی تلفن همراه صدای دریافتی و ارسالی نداشته باشیم عیب از کدام قطعه است؟
- فقط SP
- فقط MIC
- IC صوت
- گیرنده RF
گزینه ۳ صحیح است.
چون در سوال صدای دریافتی و ارسالی مد نظر است میتواند عیب هم از میکروفون هم اسپیکر و هم ایسی
باشد.
9. دلیل اینکه انتقال صدا در سیستم موبایل به صورت دیجیتال است کدام یک از گزینه های زیر است؟
- صدای دیجیتال با کم شدن ولتاژ تقویت میشود.
- چون در حالت آنالوگ پهنای باند کمتر است.
- در صورت دیجیتال بودن اطلاعات میتوان آن را روی حافظه نگهداشت و به محض وجود کانال ارسال و دریافت کرد.
- چون صدای دیجیتال گوش خراش نبوده و ضرر ندارد.
گزینه ۳ صحیح است.
چون در انتقال دیتا از روش TDM استفاده میکنیم و در این روش فقط یک هشتم ثانیه فرصت انتقال دیتا را داریم ما بقی زمان باید دیتا را ذخیره کنیم در صورت دیجیتال بودن اطلاعات می توان آن را روی حافظ نگهداشت و به محض وجود کانال ارسال و دریافت کرد.
10. در گوشی تلفن همراه صدای طرف مقابل به گوشی نمیرسد ولی به طرف مقابل منتقل میشود. عیب از کدام قطعه می تواند باشد؟
- SP
- MIC
- مدار SMPS
- کریستال OSC
گزینه ۱ صحیح است.
در تلفن همراه وظیفه تبدیل سیگنالهای صوتی به الکتریکی به عهده میکروفن است که در مسیر فرستنده قرار دارد و وظیفه تبدیل سیگنالهای الکتریکی به صوتی بر عهده اسپیکر میباشد که در مسیر گیرنده قرار دارد و چون صدا به گوش ما نمیرسد پس گیرندگی ما (اسپیکر) مشکل دارد.
11. سیگنال بعد از ورود به آی سی بلوک AF و اعمال تغییرات توسط خطوط PCM به کدام بلوک منتقل میشود؟
- UI
- RF
- MCU
- شارژینگ
گزینه ۳ صحیح است.
سیگنال بعد از ورود به آی سی بلوک AF و اعمال تغییرات توسط خطوط PCM به بلوک MCU جهت خطایایی
و ذخیره در RAM ارسال میشود.
12. نویز پذیری سیگنال آنالوگ نسبت به سیگنال دیجیتال
- کمتر است.
- بیش تر است.
- برابر است
- نویز به نوع سیگنال بستگی ندارد.
گزینه ۲ صحیح است.
چون سیگنال دیجیتال بصورت صفر و یک ذخیره میشود و قابلیت خطا یایی وجود دارد ولی سیگنال آنالوگ قابلیت نویز پذیری از صداها و عوامل محیطی را دارد.
13. اگر در صدای دریافتی ایراد داشتیم در مرحله اول بهتر است:
- میکروفون را عوض کنیم
- محل اتصالات بلندگو و پدهای آن را تمیز کاری کنیم
- مسير اسپیکر تا IC صوت را بررسی کنیم.
- اسپیکر گوشی را تعویض میکنیم
گزینه ۲ صحیح است.
میکروفن در صدای دریافتی نقشی ندارد گزینه دو مرحله اول و گزینه سوم و چهارم مراحل بعدی رفع این عیب
می باشد.
14. تست میکروفون همانند تست.......باشد.
- بلندگو
- خازن
- دیود
- بازر
گزینه ۳ صحیح است.
از آنجایی که میکروفون موبایل خازنی است و تقویت آن توسط ترانزیستور انجام میگیرد لذا تست آن همانند
دیود و ترانزیستور خواهد بود.
15. وظیفه آی سی DSP در طبقه صوتی تلفن همراه کدام یک از موارد زیر می تواند باشد؟
- تبدیل سیگنالهای دیجیتال به آنالوگ
- پردازش سیگنالهای آنالوگ
- پردازش سیگنالهای دیجیتال
- تبدیل سیگنالهای آنالوگ به دیجیتال
گزینه ۳ صحیح است.
DSP مخفف عبارت DIGITAL SIGNAL PROCESSOR به معنی پردازش سیگنالهای دیجیتال میباشد
16. در صورتی که صدا ارسال نشود بررسی کدام مورد صحیح تر است؟
- MIC- پد و پایه های MIC- آی سی Cobba
- SPK- پد و پایه های SPK- آی سی Cobba- مدار آنتن
- MIC- پد و پایه های MIC- آی سی Cobba- مدار آنتن
- SPK- پد و پایه های SPK- مدار محافظ- آی سی Cobba
گزینه ۳ صحیح است.
اسپیکر جز مسیر دریافت است و ربطی به ارسال ندارد پس گزینههای دوم و چهارم رد میشود. تفاوت بین دیگر گزینه ها نیز فقط در مدار آنتن میباشد و چون مدار آنتن نیز در ارسال صدا نقش دارد پس گزینه سوم صحیح میباشد
17. چگونه میتوان بازر زنگ را تست کرد؟
- توسط ولتاژ ۳-۲ ولت
- اهم گیری
- ولت گیری
- آمپر گیری
گزینه ۱ صحیح است.
میتوان با اعمال ولتاژ ۲ تا ۳ ولت به بازر از سالم بودن آن مطمئن شد.
تست های بخش یازدهم
1. در گوشی تلفن همراه وظیفه CPU چیست؟
- پردازشگر مرکزی اطلاعات
- پردازشگر فرعی
- کنترل کننده فرعی
- آشکارساز
گزینه ۱ صحیح است.
همانطور که از نامش پیداست CPU مخفف CENTRAL PROCESSING UNIT میباشد که به معنای واحد پردازشگر مرکزی میباشد. CPU وظیفه پردازش اطلاعات گوشی را بر عهده دارد و اصطلاحا مغز گوشی
می باشد.
2. در حافظه E2PROM کدام اطلاعات ذخیره سازی میشود؟
- شماره سریال - تاریخ ساخت - ورژن نرم افزاری
- ورژن نرم افزاری - تاریخ ساخت - تم ها
- تاریخ ساخت - تعداد حافظه ها - صداهای زنگ
- ورژن نرم افزاری - شماره سریال - صداهای زنگ
گزینه ۱ صحیح است.
این حافظه برای نگهداری اطلاعات جانبی از قبیل دفترچه تلفن پیامها و تصاویر استفاده می شود. همچنین برخی اطلاعات مانند شماره سریال سال ساخت ورژن نرم افزاری کدهای گوشی استفاده میشود.
3. نام دیگر IC تغذیه در گوشیهای تلفن همراه کدام گزینه است؟
- CCONT-UEM
- CCONT-COBBA
- COBBA-CCONT
- UEM-COBBA
گزینه ۱ صحیح است.
IC های تغذیه در گوشیهای قدیمی تر معمولا با CCONT معرفی می شوند اما در سریهای جدید مجموعه اهای صوت تغذیه شارژ و الا در یک IC به نام UEM قرار گرفته اند.
4. صفحه کلید بعد از فیلتر ESD به کدام قسمت موبایل مستقیما متصل میباشد؟
- FLASH
- EPROM
- CPU
- CCONT
گزینه ۳ صحیح است.
صفحه کلید بعد از فیلتر ESD مستقیما به CPU متصل میشود و اساس کار اینگونه است که با فشرده شدن هر کلیدی CPU از روی تغییرات پایه ها کلید فشرده شده را تشخیص میدهد.
5. کریستالهای موجود در تلفن همراه کدام ها هستند؟
- کریستال شارژ - کریستال - کریستال RF - کریستال CPU
- کریستال RF - کریستال ساعت - کریستال CPU
- کریستال ساعت - کریستال شارژ - کریستال CPU
- کریستال RF - کریستال صوت - کریستال CPU
گزینه ۲ صحیح است.
در کل گوشی سه کریستال کریستال RF یا HAGAR کریستال ساعت یا RTC کریستال CPU یا کریستال اصلی وجود دارد که در بعضی از گوشیها کریستال اصلی وجود ندارد و از کریستال RF انشعاب گرفته میشود.
6. واحد اصلی کنترل مرکزی سیستم موبایل چه نام دارد؟
- RF
- AF
- MCU
- UI
گزینه ۳ صحیح است.
MCU مخفف MAIN CONTROL UNIT به معنی واحد کنترل اصلی میباشد.
7. در اتصال مقاومتی چند پایه از CPU برای ساختن صفحه کلید استفاده میشود؟
- دو پایه
- یک پایه
- سه پایه
- هشت پایه
گزینه ۲ صحیح است.
اتصال مقاومتی تنها یک پایه از CPU اشغال شده و این پایه با استفاده از یک مقاومت برای یک کلید به کلیه
کلیدها منشعب میشود.
8. کدام یک از گزینه های زیر جزء اتصالات صفحه کلید به CPU می باشد؟
- اتصال مستقیم
- اتصال ماتریسی
- اتصال مقاومتی
- اتصال خازنی
گزینه ۴ صحیح است.
گزینه های یک تا سه جز اتصالات صفحه کلید میباشد. تنها گزینه چهار است که ما اتصالی بدین شکل نداریم
9. تنها کلیدی که به غیر از اتصال به CPU به آی سی تغذیه (CCONT) نیز وصل است کدام کلیه میباشد؟
- کلید *
- ۲ کلید #
- کلید روشن خاموش
- کلید OK یا CALL
گزینه ۳ صحیح است.
کلید پاور تنها کلیدی است که به غیر از اتصال به CPU به آی سی تغذیه (CCONT) نیز وصل است.
10. کدام نوع حافظه جزء حافظه های بلند مدت نمی باشد؟
- EEPROM
- FLASH ROM
- SDRAM
- PROM
گزینه ۳ صحیح است.
حافظه فقط خواندنی که جز حافظه های بلند مدت میباشد تمامی گزینه های بالا غیر از گزینه سوم یعنی
شامل ROM میباشند.
11. سیستم عامل گوشی روی کدام یک از حافظه های CPU ذخیره میشود؟
- PROM
- EPROM
- SDRAM
- FLASHROM
گزینه ۴ صحیح است.
چون حافظه FLASH بیشتر در دستگاه هایی استفاده می شود که پس از مدتی برنامه سیستم عامل آن تغییر
داده شده و اصطلاحا آپدیت شود.
12. نمایشگر برای اتصال به CPU حداقل به کدام پایه ها نیاز دارد؟
- SDA و SL، تغذيه مثبت، پایه ENABLE
- RESET, SCL, ENABLE
- RESET SCL,SDA، تغذيه مثبت، تغذیه منفی، و ENABLE
- SCL, ENABLE تغذیه منبت، تغذیه منفی
گزینه ۳ صحیح است.
هر نمایش گر یا دقیقا درایور نمایشگر برای راه اندازی حداقل به پایه های تغذیه ،مثبت RESET SCL,SDA تغذيه
منفی و ENABLE نیاز دارد.
13. پین کدها و شناسنامه ی سیم کارت روی کدام حافظه سیم کارت ذخیره شده است؟
- EPROM
- RAM
- SDRAM
- EEPROM
- گزینه ۴ صحیح است.
کارت یک قطعه سخت افزاریست که دارای E2PROM RAM CPU میباشد. در حافظه E2PROM سیم کارت شناسنامه آن و همچنین بین کدها ذخیره میشود.
14. رنگهای اصلی در نمایشگرهای رنگی عبارت اند از:
- زرد و قرمز و آبی
- زرد و سفید و سبز
- قرمز و آبی و سبز
- آبی و سبز و سفید و سیاه و قرمز
گزینه ۳ صحیح است.
هر نمایشگر رنگی از سه رنگ اصلی ،قرمز، آبی و سبز تشکیل شده است
15. کیفیت تصویر دوربین CCD بر حسب چه واحدی تعریف میشود؟
- مگا اهم
- مگا هرتز
- مگاپیکسل
- مگا آمپر
گزینه ۳ صحیح است.
بر حسب مگاپیکسل تعریف میشود پیکسل تعداد نقاطی است که CCD دارد
16. کدام یک از واحدهای زیر جزو ساختمان داخلی و واحدهای تشکیل دهنده بلوک MCU نمیباشد؟
- E2PROM
- DSP
- آی سی FLASH
- COBBA
گزینه ۴ صحیح است.
آی سی COBBA جز بلوک صوتی میباشد. بقیه گزینه ها مربوط به بلوک MCU میباشد.
17. IMEI در کدام یک از حافظه های زیر ذخیره شده است؟
- FLASH
- E2PROM
- مموری کارت
- RAM
گزینه ۲ صحیح است.
این حافظه برای نگهداری اطلاعات جانبی از قبیل دفترچه تلفن پیامها و تصاویر استفاده میشود. همچنین برخی اطلاعات مانند شماره سریال سال ساخت ورژن نرم افزاری کدهای گوشی استفاده میشود.
18. در صورت خرابی کدام یک از کریستال های زیر با زدن کلید پاور گوشی اصلا جریان کشی نمیکند؟
- کریستال ۲۶ MHz بخش آنتن
- کریستال MHz۱۳ بخش CPU
- کریستال ۲۶ MHz یا ۱۳ MHz
- کریستال RTC
گزینه ۴ صحیح است.
چون کریستال RTC وظیفه ی ساختن فرکانس پایه برای حالت خاموش موبایل را بر عهده دارد در صورت خاموش شدن کل گوشی از کار می افتد.
19. کدام یک از ایرادهای زیر مربوط به مقاومت تست شارژ میباشد؟
- عدم شارژ باطری
- خالی کردن شارژ باتری
- داغ کردن آی سی شارژ
- ارسال پیغام Charge Not Support در هنگام زدن شارژ
گزینه ۱ صحیح است.
چون مقاومت تست شارژ در مسیر اصلی شارژ یعنی بین آی سی شارژ و تغذیه قرار دارد. طبیعتاً خرابی باعث قطعی مسیر و نهایتا عدم شارژ می شود.
20. خطوط ارتباطی بین CPU و قسمت صوتی به چه صورتی است؟
- PAM
- PCM
- PWM
- SERIAL
گزینه ۲ صحیح است.
PCM یعنی PULSE CODE MODULATION یکی از روشهای انتقال اطلاعات بصورت دیجیتال است که جهت انتقال اطلاعات دیجیتال صدا و بصورت که شده انجام میشود.
21. کدام یک از قطعات زیر وظیفه فراهم نمودن پالس ساعت برای CPU را در زمان Stand by بر عهده دارد؟
- RTC
- OSC
- VCO
- PLL
گزینه ۱ صحیح است.
کریستال RTC وظیفه فراهم کردن پالس ساعت برای CPU و CCONT در حالت خاموشی و STANDBY بر عهده دارد.
22. پایه SDA در راه اندازی نمایشگر صفحه تصویر چه نقشی دارد؟
- هماهنگ ساز پالس ساعت
- ارسال اطلاعات دیجیتال به راه انداز
- پایه فعال ساز نمایشگر
- تغذیه اصلی راه انداز
گزینه ۲ صحیح است.
این پایه که مخفف سریال دیتا است پایه ارسال اطلاعات دیجیتال به درایور یا راه انداز میباشد.
تست های بخش دوازدهم
1. کدام قسمت بعنوان آنتن رادیوی FM در گوشیهای موبایل استفاده میشود؟
- آنتن اصلی گوشی
- کانکتور شارژ
- هندزفری
- آنتن خارجی External
گزینه ۳ صحیح است.
هندزفری به عنوان آنتن رادیویی FM در گوشیهای موبایل استفاده می شود.
2. کدام عامل زیر در عدم شناسایی سیم کارت بی تاثیر است؟
- خرابی آی سی تغذیه
- خرابی مدار محافظ سیم کارت
- خرابی باطری
- خرابی مدار RF
گزینه ۴ صحیح است.
مدار RF هیچ تاثیری در عدم شناسایی سیم کارت ندارد و خرابی آن باعث عدم آنتن دهی میشود.
3. کدام یک از گزینه های زیر پایه های سیم کارت را معرفی میکند؟
- RESET-SCLOCK-SDATA-GND-VPP-VCC
- RESET-SCLOCK-SDATA-ANT-GND-VCC
- VCC-SDATA-RESET-GND-VPP
- VPP-VCC-SDATA RESET-GND
گزينه ۱ صحیح است.
سیم کارت متشکل از شش پایه VCC, VPP,RESET, GND, SDA , و SCL میباشد.
4. کدام یک از قطعات زیر بعنوان قطعه غیر فعال محسوب میشود؟ (۲)
- سلف
- سوکت LCD
- LCD
- آی سی
گزینه ۲ صحیح است.
قطعه فعال قطعه ایست که بر روی سیگنالهای صوتی و الکتریکی و غیره تاثیر یا تغییر داشته باشد. به غیر از گزینه دو بقیه گزینه ها این ویژگی را دارد.
5. چگونه میتوان یک قطعه پلاستیکی مانند سوکت LCD را از روی برد موبایل خارج کرد به طوری که
نسوزد و دوباره قابل استفاده باشد؟
- فقط با هیتر لیزری
- فقط با هویه
- این کار امکان پذیر نیست
- با هیتر لیزری یا هیتر معمولی
گزینه ۴ صحیح است.
بهترین وسیله استفاده از هیترهای لیزری و یا مادون میباشد. در غیاب این هیترها از هیترهای معمولی نیز
میتوان استفاده کرد
6. معمولا در قطعاتی که به صورت کانکتوری برروی برد تلفن همراه نصب میشوند بسته های دیودی
چه کاربردی دارند؟
- سوئیچ
- محافظت
- تقویت ولتاژ
- فیلتر
گزینه ۲ صحیح است.
گزینه صحيح (لطفا به حروف نوشته شود): گزینه دو
معمولا در قطعاتی که به صورت کانکتوری به برد تلفن همراه استفاده میشوند بسته های دیودی به عنوان محافظ
دیودی کاربرد دارند.
7. کدام یک از موارد زیر جزو خصوصیات کانکتورها در گوشی تلفن همراه نمی باشد؟
- جدا کننده طبقات از یکدیگر هستند.
- ارتباط دهنده قطعات اطراف با برد اصلی میباشند
- جزو قطعات غیر فعال هستند.
- روی برد اصلی قرار می گیرند.
گزینه ۱ صحیح است.
جداکنندگی طبقات کوپلاژ نامیده میشود. بقیه گزینه ها جز گزینه های صحیح میباشند.
8. اساس کار IR (اینفرارد) در گوشی تلفن همراه چیست؟
- ارسال و دریافت
- ارسال سیگنال
- دریافت سیگنال
- تضعیف سیگنال
گزینه ۱ صحیح است.
اینفرارد جهت ارسال و دریافت اطلاعات بصورت بی سیم کاربرد دارد.
9. محفظه سیم کارت چند پایه دارد؟
- دو پایه
- چهار پایه
- شش پایه
- هشت پایه
گزینه ۳ صحیح است.
چون سیم کارت متشکل از شش پایه VCC.VPP.RESET,GND, SDA و SCL میباشد. طبیعتاً محفظه سیم کارت
نیز باید شش پایه داشته باشد.
10. برای تعویض کانکتور باطری از کدام نوع هویه استفاده میشود؟
- هویه قلمی
- هویه اتویی
- هيتر
- هویه صنعتی
گزینه ۳ صحیح است.
با توجه به اینکه کانکتورهای باطری به صورت چند پایه هستند برای تعویض بایستی همزمان پایه ها از برد جدا شده و این مستلزم حرارت مناسبی میباشد که توسط هیتر بتواند تمام پایه ها را جدا کند
11. مادون قرمز اتصال کدام یک از دستگاههای زیر را با یکدیگر برقرار میکند؟
- گوشی با گوشی
- گوشی با کامپیوتر
- گوشی با گوشی و کامپیوتر
- گوشی با شارژر
گزینه ۳ صحیح است.
مادون قرمز جهت اتصال بیسیم گوشی با گوشی گوشی یا کامپیوتر و کامپیوتر یا کامپیوتر میباشد.
12. مناسب ترین روش برای برداشتن جوی استیک و جایگذاری آن به ترتیب استفاده از کدام ابزار تعمیراتی است؟
- هویه - هویه معمولی
- هویه - هیتر معمولی
- هيتر - هويه SMD
- هیتر لیزری- هویه معمولی
گزینه ۳ صحیح است.
مناسب ترین روش برای برداشتن جوی استیک هیتر و جهت جایگذاری آن هویه میباشد چون موقع برداشتن جوی استیک خراب مهم نیست که قسمت پلاستیکی خراب شود مهم اینست که لحیم همه پایه ها هم زمان ذوب کند.
13. پایه های سیم کارت دارای چند پایه تغذیه مثبت می باشد؟
- یک پایه
- دو پایه
- چهار پایه
- شش پایه
گزینه ۲ صحیح
سیم کارت کلا شش پایه دارد که دو پایه آن به نام VCC و VPP جهت تغذیه مثبت کاربرد دارد.
14. علی رغم وصل نبودن هندزفری به گوشی روی صفحه نمایش گر گوشی علامت هندزفری ظاهر شده است عیب از کدام قسمت نمی تواند باشد؟
- کانکتورهای اتصال هندزفری
- فیلتر محافظ هندزفری
- اسپیکر یا بلندگو
- آی سی ال
گزینه ۳ صحیح است.
مسیر بین اسپیکر و هندزفری کاملاً از هم مجزا میباشد و خرابی یکی نمیتواند بر دیگری تاثیر گذار باشد.
15. بر روی برد موبایل جهت اتصال دو نقطه به هم بدون استفاده از هیچ گونه آلمان الکترونیکی از
کدام یک از موارد زیر استفاده میشود؟
- دیود نورانی
- مقاومت پر اهم
- جامپر
- دیود زینر
گزینه ۳ صحیح است.
بغیر از گزینه سوم بقیه گزینه ها جز المانهای الکتریکی و الکترونیکی می باشد. در گزینه سوم JUMP یعنی پرش و جامپر یعنی اتصال یک نقطه به نقطه دیگر از طریق سیم میباشد.
16. در کدام یک از روشهای زیر ارسال و دریافت اطلاعات بدون سیم صورت می پذیرد؟
- کابل USB
- مادون قرمز
- PCM
- فیبر نوری
گزینه ۲ صحیح است.
از جمله روشهای ارسال و دریافت اطلاعات در گوشی بلوتوث اینفرارد و... میباشد گزینه سوم از روشهای ارتباط دیجیتال داخل گوشی بین COBBA و CPU میباشد کابل USB کابل رابط گوشی و رایانه میباشد و فیبر نوری نیز خود یک کابل میباشد.
17. کدام یک از قطعات زیر از قطعات فعال در گوشی تلفن همراه میباشد؟
- پلیت باتری
- کانکتور آنتن هوایی
- کپسول گوشی
- کانکتور سیم کارت
گزینه ۳ صحیح است.
قلعه فعال قطعه ای است که بر روی سیگنالهای صوتی و الکتریکی و غیره تاثیر یا تغییر داشته باشد. در گزینه های بالا به غیر از کپسول گوشی هیچ کدام از آنها چنین خصوصیتی را ندارند.
تست های بخش سیزدهم
1. اگر نور پس زمینه در گوشی تلفن همراه نداشته باشیم و از سالم بودن نمایشگر مطمئن باشیم عیب از کدام قسمت میتواند باشد؟
- آی سی پردازشگر
- آی سی شارژ
- آی سی راه انداز نور نمایشگر
- آی سی محافظ کی پد
گزینه ۳ صحیح است.
آی سی راه انداز LCD با تعداد شش پایه وظیفه راه اندازی LCD را بر عهده دارد. اگر از سالم بودن LCD گوشی مطمئن باشیم در صورت نداشتن نور پس زمینه میتواند ایراد از آی سی راه انداز LCD باشد.
2. وظیفه آی سی های شیشه ای ESD در تلفن همراه کدام یک از گزینه های زیر میباشد؟
- جلوگیری از الکتریسیته ساکن بدن
- راه اندازی مدارات جانبی
- جلوگیری از پارازیتها
- یکسوسازی سیگنالهای خروجی
گزینه ۱ صحیح است.
بمعنى اثر تخلیه الکترواستاتیکی میباشد و آن همان الکتریسیته ساکن بدن است که در اثر برخورد احتمال خرابی بعضی از قطعات مانند MOSFET بیش تر است.
3. کدام یک از قطعات زیر به آی سی الا متصل نمی باشد؟
- بازر زنگ
- اسپیکر
- LED
- موتور ویبره
گزینه ۲ صحیح است.
همه گزینه ها بجز گزینه دوم به UI متصل میباشند بلندگو نیز به آی سی صوت متصل است.
4. اگر بازر از کار بیفتد ایراد از کدام قسمت نمی تواند باشد؟
- آی سی شیشه ای محافظ بازر
- آی سی راه انداز UIF
- بازر زنگ
- منوی گوشی
گزینه ۱ صحیح است.
با توجه به اینکه ایراد در آی سی راه انداز و یا خود بازر و یا تنظیمات منوی گوشی میتواند باعث از کار افتادن بازر زنگ شود اما برای بازر زنگ آی سی محافظی در نظر گرفته نشده است.
5. اگر جریان کشی در مدار زیاد شده و آی سی زنگ داغ شود معمولاً کدام قطعه ایراد پیدا می کند؟
- اسپیکر
- میکروفون
- موتور ویبره
- بازر زنگ
گزینه ۴ صحیح است.
چون آی سی زنگ به عنوان راه انداز بازر میباشد طبیعتاً خرابی یکی باعث بوجود آمدن مشکل در دیگری خواهد بود.
6. المان های اصلی تشکیل دهنده مدار SMPS در LCD کدام یک از گزینه های زیر میباشد؟
- آی سی مولد فرکانس - ترانزیستور - دیود یکسو ساز
- آی سی مولد فرکانس - ترانزیستور - سلف - کریستال
- آی سی مولد فرکانس - کریستال - دیود یکسو ساز
- آی سی مولد فرکانس - ترانزیستور - دیود یکسو ساز - سلف
گزینه ۴ صحیح است.
مدار SMPS از سلف دیود یکسوساز ترانزیستور سوئیچینگ و یک آی سی مولد فرکانس تشکیل شده است که جهت افزایش ولتاژ باتری و کاربرد به عنوان راه انداز LCD و تامین نور پس زمینه آن استفاده می شود.
7. نقش ترانزیستور در مدار SMPS کدام یک از گزینه های زیر است؟
- تقویت
- سوئیچینگ
- یکسوسازی
- کوپلاژ
گزینه ۲ صحیح است.
ترانزیستور نوع منفی است که عمل قطع و وصل را انجام میدهد و فرمان سوئیچ آن از آی سی مولد فرکانس
دریافت میشود.
8. آی سی راه انداز نمایشگر چه وظیفه ای بر عهده دارد؟
- ایجاد رنگ روی صفحه ی نمایشگر
- فقط ایجاد نور پس زمینه برای نمایشگر
- راه اندازی کل نمایشگر
- افزایش کیفیت نمایش در نمایشگر
گزینه ۳ صحیح است.
آی سی راه انداز نمایشگر برای راه اندازی ستونها و ردیفهای نمایشگر و یا بطور کلی برای راه اندازی کل
نمایش گر بکار میرود.
9. LCD بصورت نصفه یا وارونه نمایش داده میشود علت کدام گزینه نمی باشد؟
- نرم افزار
- راه انداز LCD
- خود LCD
- فلت رابط LCD
گزینه ۱ صحیح است.
نمایش تصاویر در نمایشگر به صورت نصفه با کرکره ای میتواند از کابل فلت رابط خود lcd و یا از راه انداز
LCD باشد.
10. اگر نمایشگر فاقد تصویر باشد کدام گزینه از علل این ایراد نمی باشد؟
- LCD خراب است.
- کانکتور LCD خراب است.
- درایور LCD خراب است.
- سلف مدار SMPS خراب است.
گزینه ۴ صحیح است.
سلف مدار SMPS باعث ایجاد روشنایی نور پس زمینه LCD است ولی گزینه های یک تا سه می توانند علت از
بین رفتن تصویر LCD باشند.
11. با جاگذاری باطری گوشی موتور ویبره شروع به کار میکند معمولاً این عیب از کدام قطعه میباشد؟
- باطری
- ای سی CPU
- آی سی راه انداز UIF
- آی سی تغذیه
گزینه ۳ صحیح است.
در صورت خرابی آی سی را ماند از UIF کلیه قسمتهای مرتبط با آن میتواند مشکل پیدا کند از جمله اینکه آی سی راماند از فرمان درست صادر نکرده و باعث بکار افتادن موتور ویبره شود.
ثبت دیدگاه
نظر با موفقیت ثبت شد
دیدگاه شما پس از تایید نمایش داده میشود